Motor - Vergaser, Tank

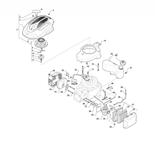
Zeichnung von Stiga Benzin-Rasenmäher ab 2020 Combi 48 SVQ (Geräte Nr 2L0487848/ST1):

Klicken Sie auf diese Zeichnung

Sollten Sie Fragen zu einem Ersatzteil haben, können Sie uns gerne eine Ersatzteilanfrage stellen.

Hier finden Sie alle Ersatzteile von Stiga Benzin-Rasenmäher ab 2020 Combi 48 SVQ (Geräte Nr 2L0487848/ST1) aus dem Zeichnungsblatt Motor - Vergaser, Tank:
Artikel 1 - 10 von 44