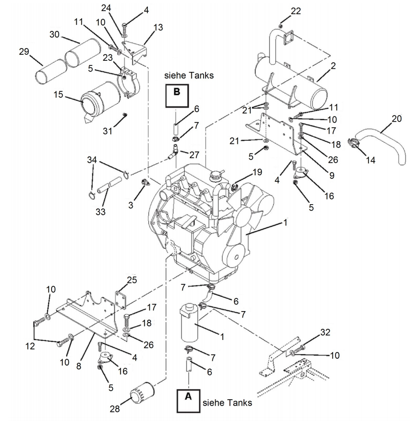
Motor, Luftfilter, Auspuff

Zeichnung von Gravely PRO-MASTER 260Z (992317) S.-NR.: AB 006000 Motor, Luftfilter, Auspuff :

Klicken Sie auf diese Zeichnung

Sollten Sie Fragen zu einem Ersatzteil haben, können Sie uns gerne eine Ersatzteilanfrage stellen.

Hier finden Sie alle Ersatzteile von Gravely PRO-MASTER 260Z (992317) S.-NR.: AB 006000 Motor, Luftfilter, Auspuff :
Artikel 1 - 20 von 33

684,16 € *
Lieferzeit: 2 - 10 Werktage

Artikel 1 - 20 von 33