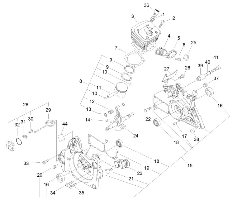
Motor, Kurbelgehäuse, Öltank

Zeichnung von shindaiwa Motorsägen 600sx Motor, Kurbelgehäuse, Öltank:

Klicken Sie auf diese Zeichnung

Sollten Sie Fragen zu einem Ersatzteil haben, können Sie uns gerne eine Ersatzteilanfrage stellen.

Hier finden Sie alle Ersatzteile von shindaiwa Motorsägen 600sx:
Artikel 1 - 20 von 37


Artikel 1 - 20 von 37