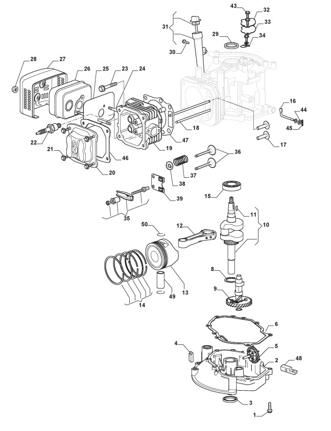
Motor - Kolben, Motorwelle

Zeichnung von Castelgarden Benzinrasenmäher ab 2019 XA 50 GS (ID 295508043/C17):

Klicken Sie auf diese Zeichnung

Sollten Sie Fragen zu einem Ersatzteil haben, können Sie uns gerne eine Ersatzteilanfrage stellen.

Hier finden Sie alle Ersatzteile von Castelgarden Benzinrasenmäher ab 2019 XA 50 GS (ID 295508043/C17) aus der Zeichnung Motor - Kolben, Motorwelle:
Artikel 1 - 10 von 33