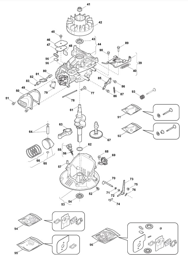
Motor - Kolben, Motorwelle (1)

Zeichnung von Castelgarden Benzinrasenmäher ab 2015 CS 484 - G (ID 295491043/12):

Klicken Sie auf diese Zeichnung

Sollten Sie Fragen zu einem Ersatzteil haben, können Sie uns gerne eine Ersatzteilanfrage stellen.

Hier finden Sie alle Ersatzteile von Castelgarden Benzinrasenmäher ab 2015 CS 484 - G (ID 295491043/12) aus der Zeichnung Motor - Kolben, Motorwelle (1):
Artikel 1 - 30 von 38


Artikel 1 - 30 von 38