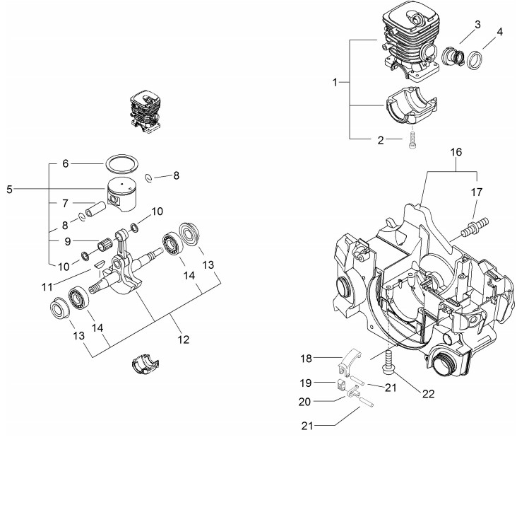
Motor CS-310ES bis S.-Nr.: 37010000

Zeichnung von ECHO Motorsägen CS-310ES CS-310ES bis S.-Nr.: 37010000 Motor CS-310ES bis S.-Nr.: 37010000:

Klicken Sie auf diese Zeichnung

Sollten Sie Fragen zu einem Ersatzteil haben, können Sie uns gerne eine Ersatzteilanfrage stellen.

Hier finden Sie alle Ersatzteile von ECHO Motorsägen CS-310ES CS-310ES bis S.-Nr.: 37010000:
Artikel 1 - 10 von 15


Artikel 1 - 10 von 15