Motor (4)

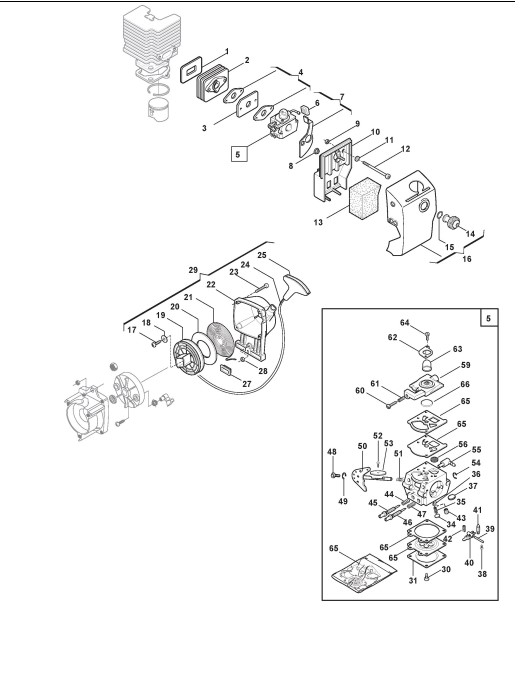
Zeichnung von Castelgarden Benzin Freischneider G 424 (282520002/0F4) ab 2004:

Klicken Sie auf diese Zeichnung

Sollten Sie Fragen zu einem Ersatzteil haben, können Sie uns gerne eine Ersatzteilanfrage stellen.

Hier finden Sie alle Ersatzteile von Castelgarden Benzin Freischneider G 424 (282520002/0F4) ab 2004 aus der Zeichnung Motor (4):
Artikel 1 - 7 von 7


Artikel 1 - 7 von 7