Motor (4)

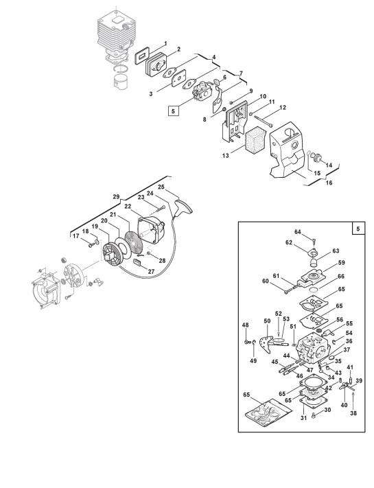
Zeichnung von Castelgarden Benzin Freischneider BC 430 (184600D) ab 2002:

Klicken Sie auf diese Zeichnung

Sollten Sie Fragen zu einem Ersatzteil haben, können Sie uns gerne eine Ersatzteilanfrage stellen.

Hier finden Sie alle Ersatzteile von Castelgarden Benzin Freischneider BC 430 (184600D) ab 2002 aus der Zeichnung Motor (4):
Artikel 1 - 6 von 6


Artikel 1 - 6 von 6