Motor (2)

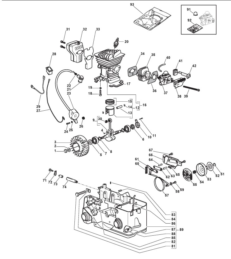
Zeichnung von Castelgarden Benzin Kettensägen XC 380 (223514053/10) ab 2010:

Klicken Sie auf diese Zeichnung

Sollten Sie Fragen zu einem Ersatzteil haben, können Sie uns gerne eine Ersatzteilanfrage stellen.

Hier finden Sie alle Ersatzteile von Castelgarden Benzin Kettensägen XC 380 (223514053/10) ab 2010 aus der Zeichnung Motor (2):
Artikel 1 - 14 von 14


Artikel 1 - 14 von 14