Motor (2)

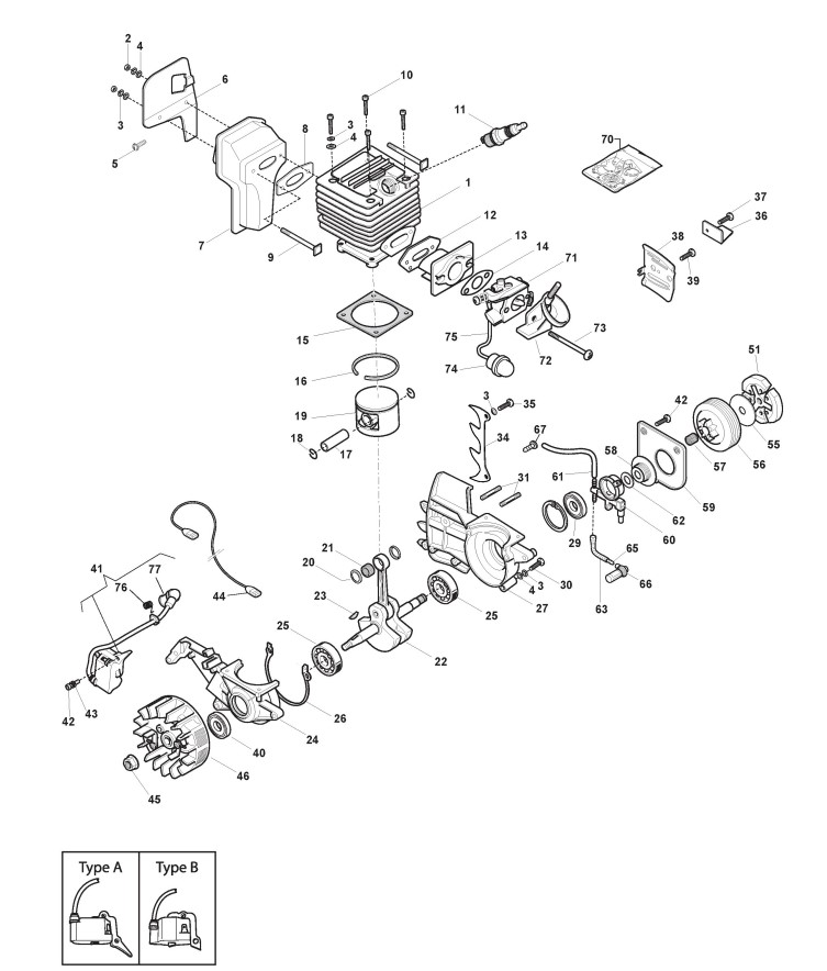
Zeichnung von Castelgarden Benzin Kettensägen PS 3740 (228116013/ALP) ab 2013:

Klicken Sie auf diese Zeichnung

Sollten Sie Fragen zu einem Ersatzteil haben, können Sie uns gerne eine Ersatzteilanfrage stellen.

Hier finden Sie alle Ersatzteile von Castelgarden Benzin Kettensägen PS 3740 (228116013/ALP) ab 2013 aus der Zeichnung Motor (2):
Artikel 1 - 18 von 18


Artikel 1 - 18 von 18