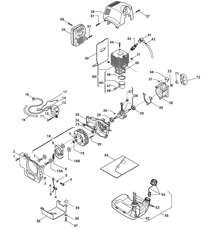
Motor (2)

Zeichnung von Castelgarden Benzin Freischneider XB 55 P (285620003/05) ab 2009:

Klicken Sie auf diese Zeichnung

Sollten Sie Fragen zu einem Ersatzteil haben, können Sie uns gerne eine Ersatzteilanfrage stellen.

Hier finden Sie alle Ersatzteile von Castelgarden Benzin Freischneider XB 55 P (285620003/05) ab 2009 aus der Zeichnung Motor (2):
Artikel 1 - 10 von 10


Artikel 1 - 10 von 10