Motor (2)

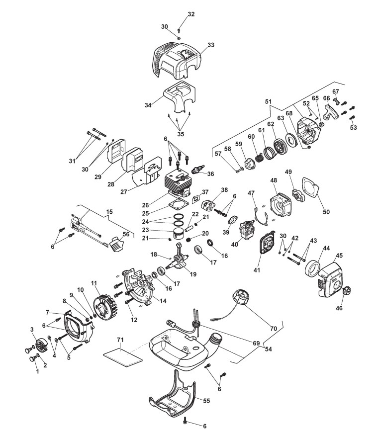
Zeichnung von Castelgarden Benzin Freischneider XB 226 J (287120103/C19) ab 2019:

Klicken Sie auf diese Zeichnung

Sollten Sie Fragen zu einem Ersatzteil haben, können Sie uns gerne eine Ersatzteilanfrage stellen.

Hier finden Sie alle Ersatzteile von Castelgarden Benzin Freischneider XB 226 J (287120103/C19) ab 2019 aus der Zeichnung Motor (2):
Artikel 1 - 18 von 18


Artikel 1 - 18 von 18