Motor (2)

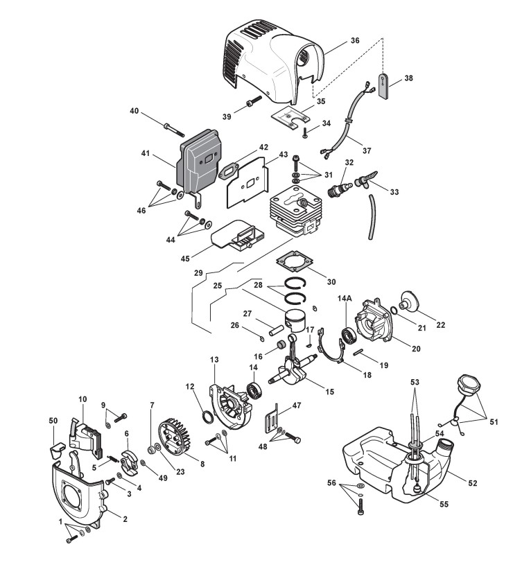
Zeichnung von Castelgarden Benzin Freischneider G 437 (283521006/07) ab 2007:

Klicken Sie auf diese Zeichnung

Sollten Sie Fragen zu einem Ersatzteil haben, können Sie uns gerne eine Ersatzteilanfrage stellen.

Hier finden Sie alle Ersatzteile von Castelgarden Benzin Freischneider G 437 (283521006/07) ab 2007 aus der Zeichnung Motor (2):
Artikel 1 - 2 von 2


Artikel 1 - 2 von 2