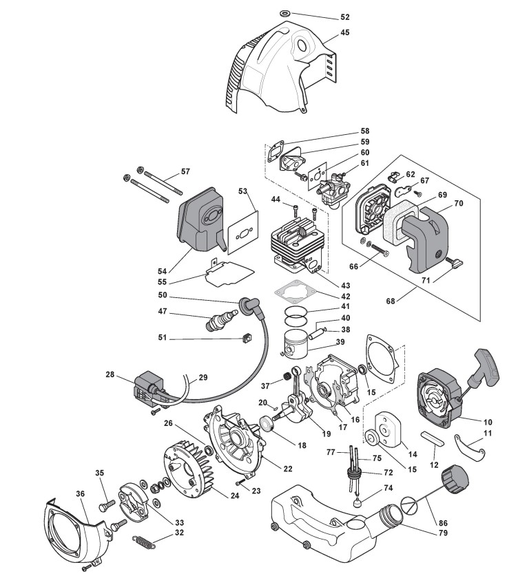
Motor (2)

Zeichnung von Castelgarden Benzin Freischneider BJ 345 D (285421003/10) ab 2010:

Klicken Sie auf diese Zeichnung

Sollten Sie Fragen zu einem Ersatzteil haben, können Sie uns gerne eine Ersatzteilanfrage stellen.

Hier finden Sie alle Ersatzteile von Castelgarden Benzin Freischneider BJ 345 D (285421003/10) ab 2010 aus der Zeichnung Motor (2):
Artikel 1 - 6 von 6


Artikel 1 - 6 von 6