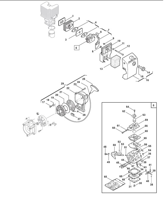
Motor (2)

Zeichnung von Castelgarden Benzin Freischneider BC 390 (184550D) ab 2002:

Klicken Sie auf diese Zeichnung

Sollten Sie Fragen zu einem Ersatzteil haben, können Sie uns gerne eine Ersatzteilanfrage stellen.

Hier finden Sie alle Ersatzteile von Castelgarden Benzin Freischneider BC 390 (184550D) ab 2002 aus der Zeichnung Motor (2):
Artikel 1 - 18 von 18


Artikel 1 - 18 von 18