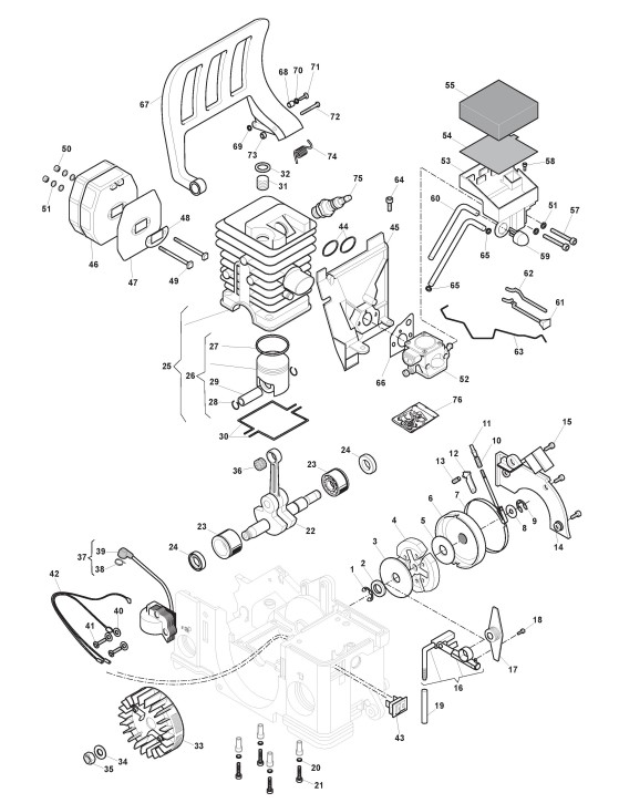
Motor (1)

Zeichnung von Castelgarden Benzin Kettensägen XC 242 (244315003/11) ab 2012:

Klicken Sie auf diese Zeichnung

Sollten Sie Fragen zu einem Ersatzteil haben, können Sie uns gerne eine Ersatzteilanfrage stellen.

Hier finden Sie alle Ersatzteile von Castelgarden Benzin Kettensägen XC 242 (244315003/11) ab 2012 aus der Zeichnung Motor (1):
Artikel 1 - 10 von 28


Artikel 1 - 10 von 28