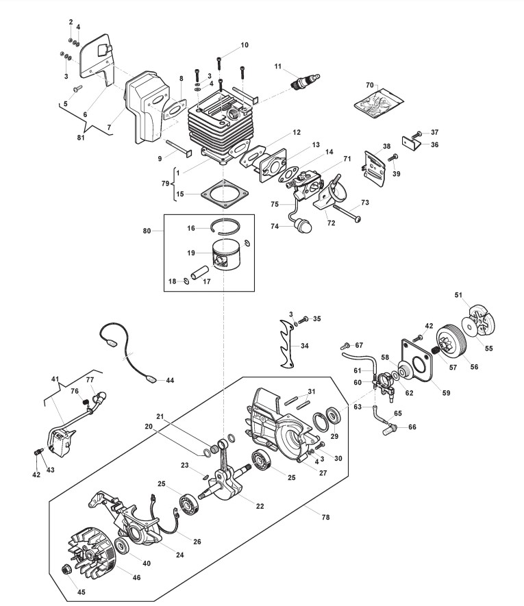
Motor (1)

Zeichnung von Castelgarden Benzin Kettensägen PS 3740 (228116013/ALP) ab 2018:

Klicken Sie auf diese Zeichnung

Sollten Sie Fragen zu einem Ersatzteil haben, können Sie uns gerne eine Ersatzteilanfrage stellen.

Hier finden Sie alle Ersatzteile von Castelgarden Benzin Kettensägen PS 3740 (228116013/ALP) ab 2018 aus der Zeichnung Motor (1):
Artikel 1 - 20 von 48


Artikel 1 - 20 von 48