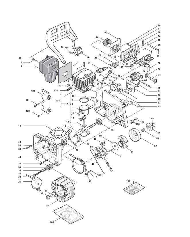
Motor (1)

Zeichnung von Castelgarden Benzin Kettensägen GD 45 (224618006/07) ab 2007:

Klicken Sie auf diese Zeichnung

Sollten Sie Fragen zu einem Ersatzteil haben, können Sie uns gerne eine Ersatzteilanfrage stellen.

Hier finden Sie alle Ersatzteile von Castelgarden Benzin Kettensägen GD 45 (224618006/07) ab 2007 aus der Zeichnung Motor (1):
Artikel 1 - 20 von 34


Artikel 1 - 20 von 34