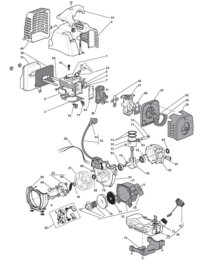
Motor (1)

Zeichnung von Castelgarden Benzin Freischneider XB 43 D (284221003/08) ab 2009:

Klicken Sie auf diese Zeichnung

Sollten Sie Fragen zu einem Ersatzteil haben, können Sie uns gerne eine Ersatzteilanfrage stellen.

Hier finden Sie alle Ersatzteile von Castelgarden Benzin Freischneider XB 43 D (284221003/08) ab 2009 aus der Zeichnung Motor (1):
Artikel 1 - 10 von 25


Artikel 1 - 10 von 25