Motor (1)

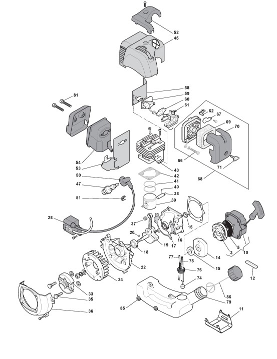
Zeichnung von Castelgarden Benzin Freischneider XB 34 (280820003/10) ab 2012:

Klicken Sie auf diese Zeichnung

Sollten Sie Fragen zu einem Ersatzteil haben, können Sie uns gerne eine Ersatzteilanfrage stellen.

Hier finden Sie alle Ersatzteile von Castelgarden Benzin Freischneider XB 34 (280820003/10) ab 2012 aus der Zeichnung Motor (1):
Artikel 1 - 20 von 41


Artikel 1 - 20 von 41