Motor (1)

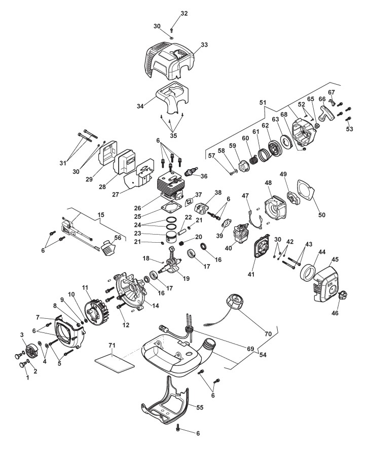
Zeichnung von Castelgarden Benzin Freischneider XB 226 J (287120103/C19) ab 2019:

Klicken Sie auf diese Zeichnung

Sollten Sie Fragen zu einem Ersatzteil haben, können Sie uns gerne eine Ersatzteilanfrage stellen.

Hier finden Sie alle Ersatzteile von Castelgarden Benzin Freischneider XB 226 J (287120103/C19) ab 2019 aus der Zeichnung Motor (1):
Artikel 1 - 10 von 44