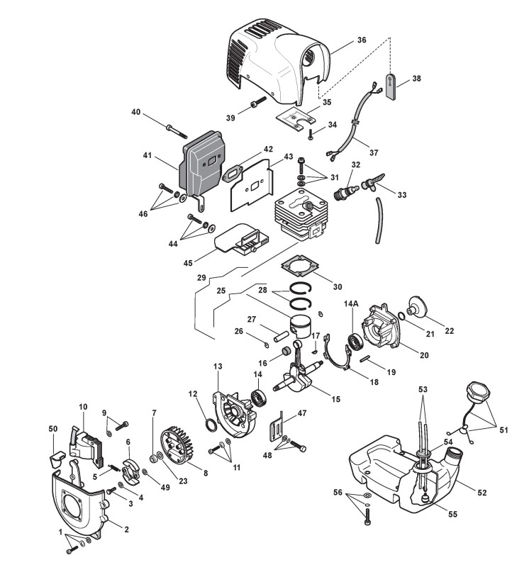
Motor (1)

Zeichnung von Castelgarden Benzin Freischneider G 437 (283521006/05) ab 2007:

Klicken Sie auf diese Zeichnung

Sollten Sie Fragen zu einem Ersatzteil haben, können Sie uns gerne eine Ersatzteilanfrage stellen.

Hier finden Sie alle Ersatzteile von Castelgarden Benzin Freischneider G 437 (283521006/05) ab 2007 aus der Zeichnung Motor (1):
Artikel 1 - 10 von 16


Artikel 1 - 10 von 16