Motor (1)

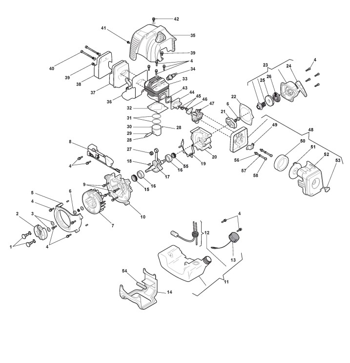
Zeichnung von Castelgarden Benzin Freischneider BS 45 D (286321004/12) ab 2022:

Klicken Sie auf diese Zeichnung

Sollten Sie Fragen zu einem Ersatzteil haben, können Sie uns gerne eine Ersatzteilanfrage stellen.

Hier finden Sie alle Ersatzteile von Castelgarden Benzin Freischneider BS 45 D (286321004/12) ab 2022 aus der Zeichnung Motor (1):
Artikel 1 - 20 von 47


Artikel 1 - 20 von 47