Motor (1)

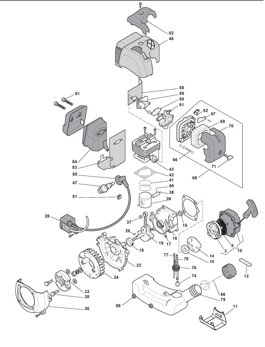
Zeichnung von Castelgarden Benzin Freischneider BJ 335 (285320003/09) ab 2009:

Klicken Sie auf diese Zeichnung

Sollten Sie Fragen zu einem Ersatzteil haben, können Sie uns gerne eine Ersatzteilanfrage stellen.

Hier finden Sie alle Ersatzteile von Castelgarden Benzin Freischneider BJ 335 (285320003/09) ab 2009 aus der Zeichnung Motor (1):
Artikel 1 - 20 von 40


Artikel 1 - 20 von 40