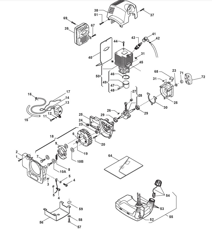
Motor 1

Zeichnungen von Alpina Rasentrimmer/Freischneider STAR 45 DP mit Geräte Nr. 284621000/05 ab Baujahr 2011

Zeichnung


Beachten Sie bitte, dass die Gerätebezeichnung Alpina Rasentrimmer/Freischneider STAR 45 DP, das Baujahr ab 2011 und die Geräte Nr. 284621000/05 lauten muss, denn nur so kann sichergestellt werden, dass das Ersatzteil passt.
Hier finden Sie alle Ersatzteile von Alpina Rasentrimmer/Freischneider STAR 45 DP (284621000/05) ab Bj. 2011:
Artikel 1 - 10 von 44