Motor 1

Zeichnungen von Alpina Rasentrimmer/Freischneider POWER 45 P mit Geräte Nr. 284620001/05 ab Baujahr 2010

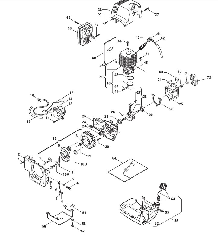
Zeichnung


Beachten Sie bitte, dass die Gerätebezeichnung Alpina Rasentrimmer/Freischneider POWER 45 P, das Baujahr ab 2010 und die Geräte Nr. 284620001/05 lauten muss, denn nur so kann sichergestellt werden, dass das Ersatzteil passt.
Hier finden Sie alle Ersatzteile von Alpina Rasentrimmer/Freischneider POWER 45 P (284620001/05) ab Bj. 2010:
Artikel 1 - 20 von 44


Artikel 1 - 20 von 44