Messerwelle, -antrieb

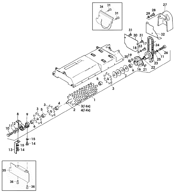
Zeichnung Sabo Vertikutierer Benzin Vertikutierer 45-220 EDV-NR.SA268 Messerwelle, -antrieb:

Klicken Sie auf diese Zeichnung

Sollten Sie Fragen zu einem Ersatzteil haben, können Sie uns gerne eine Ersatzteilanfrage stellen.

Hier finden Sie alle Ersatzteile von Sabo Vertikutierer Benzin Vertikutierer 45-220 EDV-NR.SA268 Messerwelle, -antrieb:
Artikel 1 - 30 von 37


Artikel 1 - 30 von 37