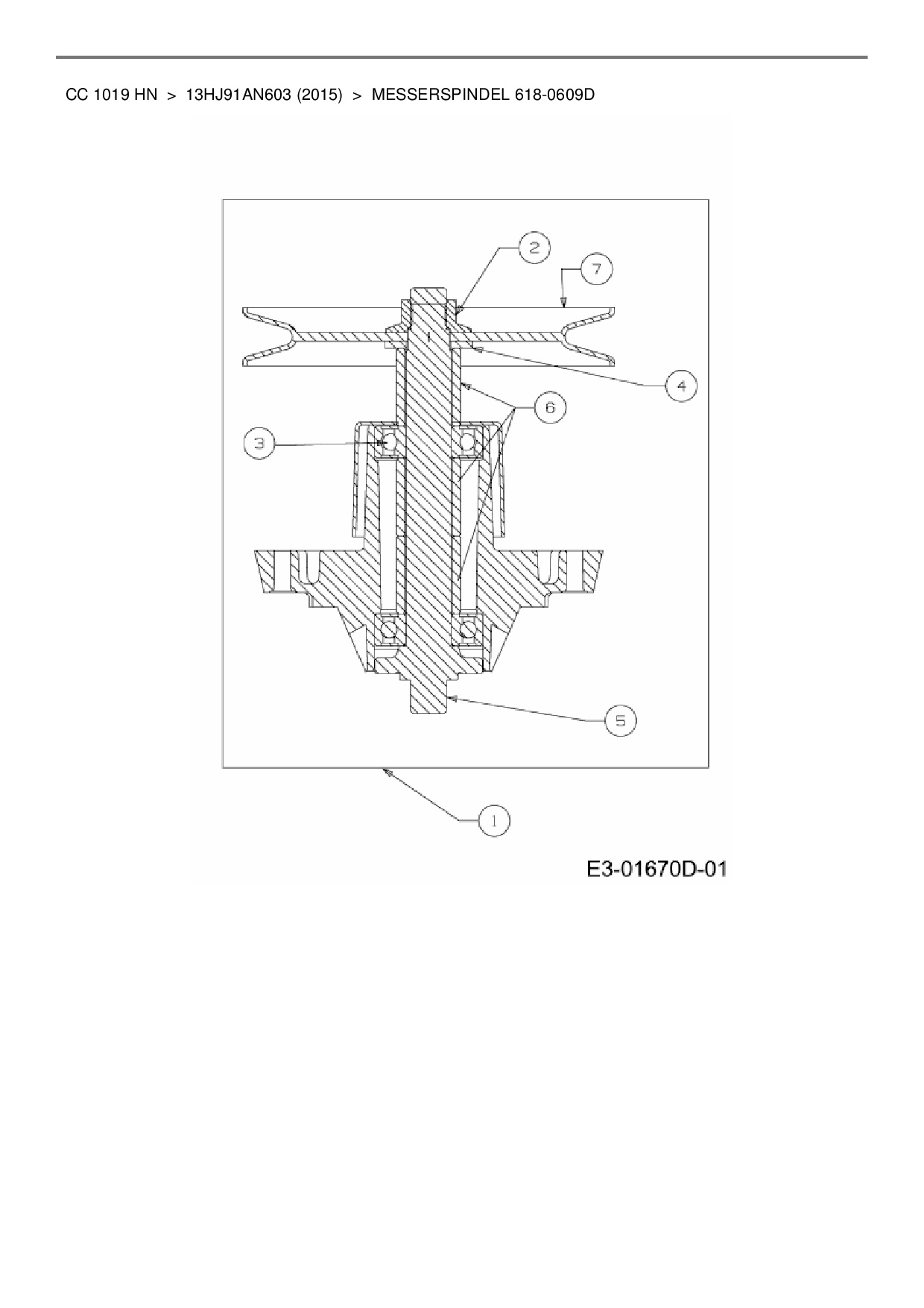
Messerspindel 618-0609D

Zeichnung für Cub Cadet Rasentraktor CC 1019 HN mit der Geräte-Artikelnr. 13HJ91AN603 ab Baujahr 2015:

Zeichnung Messerspindel 618-0609D

Die Ersatzteil-Zeichnung für Rasentraktor Cub Cadet CC 1019 HN als Download:
Download Ersatzteil-Zeichnung Cub Cadet CC 1019 HN Zeichnung Messerspindel 618-0609D (PDF-Format)
Download Ersatzteil-Zeichnung Cub Cadet CC 1019 HN Zeichnung Messerspindel 618-0609D (JPG-Format)

Sollten Sie Fragen zu einem Ersatzteil haben, können Sie uns gerne eine E-Mail (mit einem Foto vom Typenschild Ihres Gerätes) schreiben oder eine Ersatzteilanfrage stellen.

Ersatzteile für Rasentraktor Cub Cadet CC 1019 HN aus der Zeichnung Messerspindel 618-0609D:
Artikel 1 - 7 von 7


Artikel 1 - 7 von 7