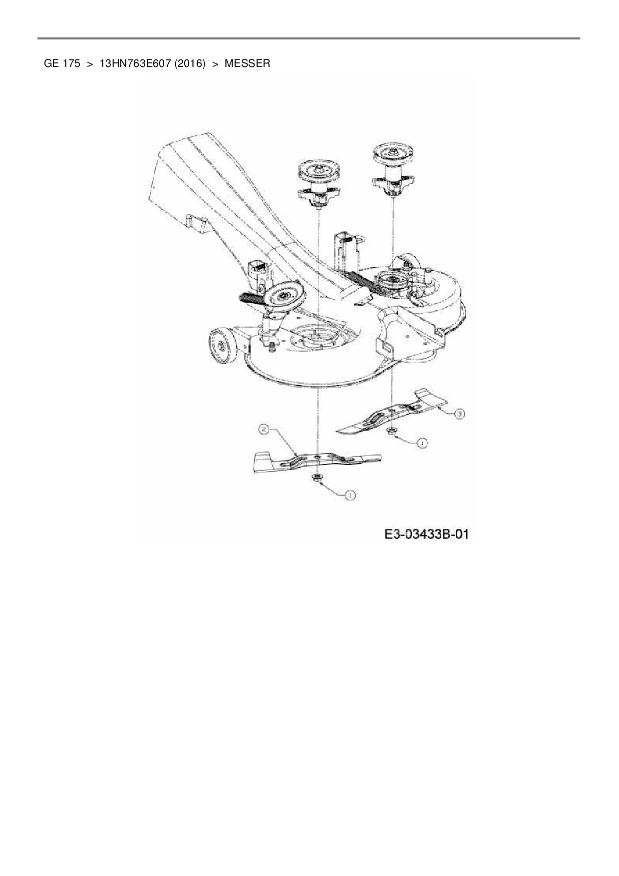
Messer

Zeichnung für Blisar Rasentraktor GE 175 mit der Geräte-Artikelnr. 13HN763E607 ab Baujahr 2016:

Zeichnung Messer

Die Ersatzteil-Zeichnung für Rasentraktor Blisar GE 175 als Download:
Download Ersatzteil-Zeichnung Blisar GE 175 Zeichnung Messer (PDF-Format)
Download Ersatzteil-Zeichnung Blisar GE 175 Zeichnung Messer (JPG-Format)

Sollten Sie Fragen zu einem Ersatzteil haben, können Sie uns gerne eine E-Mail (mit einem Foto vom Typenschild Ihres Gerätes) schreiben oder eine Ersatzteilanfrage stellen.

Ersatzteile für Rasentraktor Blisar GE 175 aus der Zeichnung Messer:
Artikel 1 - 3 von 3

6,86 € *
Lieferzeit: 2 - 10 Werktage
42,16 € *
Lieferzeit: 2 - 10 Werktage
42,16 € *
Lieferzeit: 2 - 10 Werktage

Artikel 1 - 3 von 3