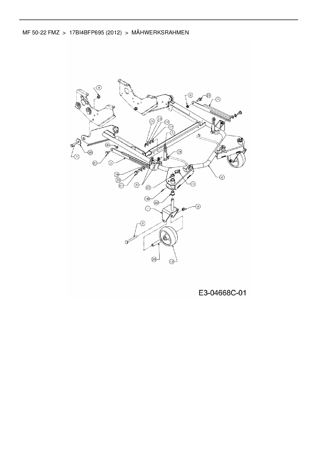
Mähwerksrahmen

Zeichnung für Massey Ferguson Zero Turn MF 50-22 FMZ mit der Geräte-Artikelnr. 17BI4BFP695 ab Baujahr 2012:

Zeichnung Mähwerksrahmen

Die Ersatzteil-Zeichnung für Zero Turn Massey Ferguson MF 50-22 FMZ als Download:
Download Ersatzteil-Zeichnung Massey Ferguson MF 50-22 FMZ Zeichnung Mähwerksrahmen (PDF-Format)
Download Ersatzteil-Zeichnung Massey Ferguson MF 50-22 FMZ Zeichnung Mähwerksrahmen (JPG-Format)

Sollten Sie Fragen zu einem Ersatzteil haben, können Sie uns gerne eine E-Mail (mit einem Foto vom Typenschild Ihres Gerätes) schreiben oder eine Ersatzteilanfrage stellen.

Ersatzteile für Zero Turn Massey Ferguson MF 50-22 FMZ aus der Zeichnung Mähwerksrahmen:
Artikel 1 - 10 von 21


Artikel 1 - 10 von 21