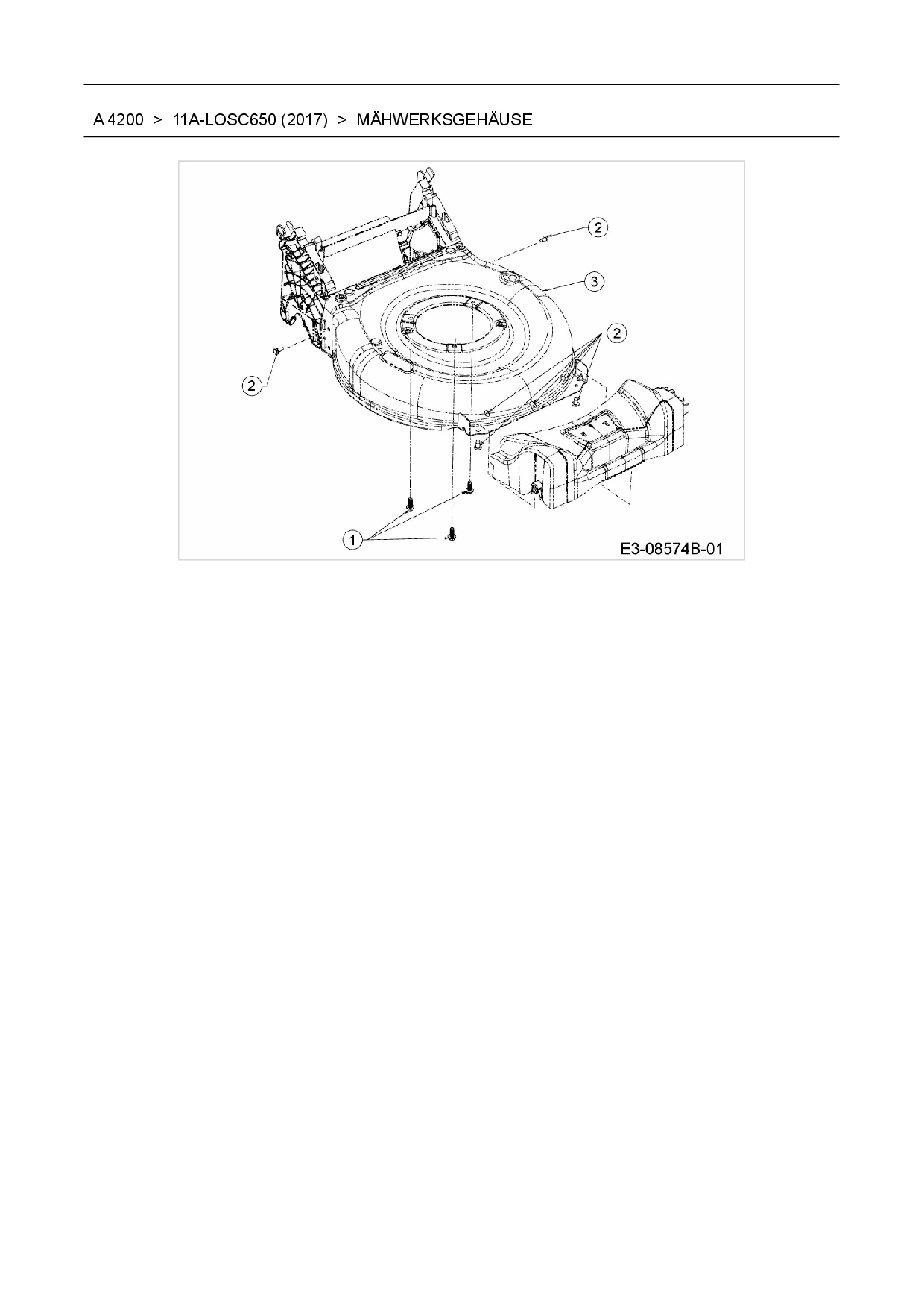
Mähwerksgehäuse

Zeichnung für Wolf-Garten Motormäher A 4200 mit der Geräte-Artikelnr. 11A-LOSC650 ab Baujahr 2017:

Zeichnung Mähwerksgehäuse

Die Ersatzteil-Zeichnung für Motormäher Wolf-Garten A 4200 als Download:
Download Ersatzteil-Zeichnung Wolf-Garten A 4200 Zeichnung Mähwerksgehäuse (PDF-Format)
Download Ersatzteil-Zeichnung Wolf-Garten A 4200 Zeichnung Mähwerksgehäuse (JPG-Format)

Sollten Sie Fragen zu einem Ersatzteil haben, können Sie uns gerne eine E-Mail (mit einem Foto vom Typenschild Ihres Gerätes) schreiben oder eine Ersatzteilanfrage stellen.

Ersatzteile für Motormäher Wolf-Garten A 4200 aus der Zeichnung Mähwerksgehäuse:
Artikel 1 - 3 von 3

4,88 € *
Lieferzeit: 2 - 10 Werktage
5,39 € *
Lieferzeit: 2 - 10 Werktage
111,84 € *
Lieferzeit: 2 - 10 Werktage

Artikel 1 - 3 von 3