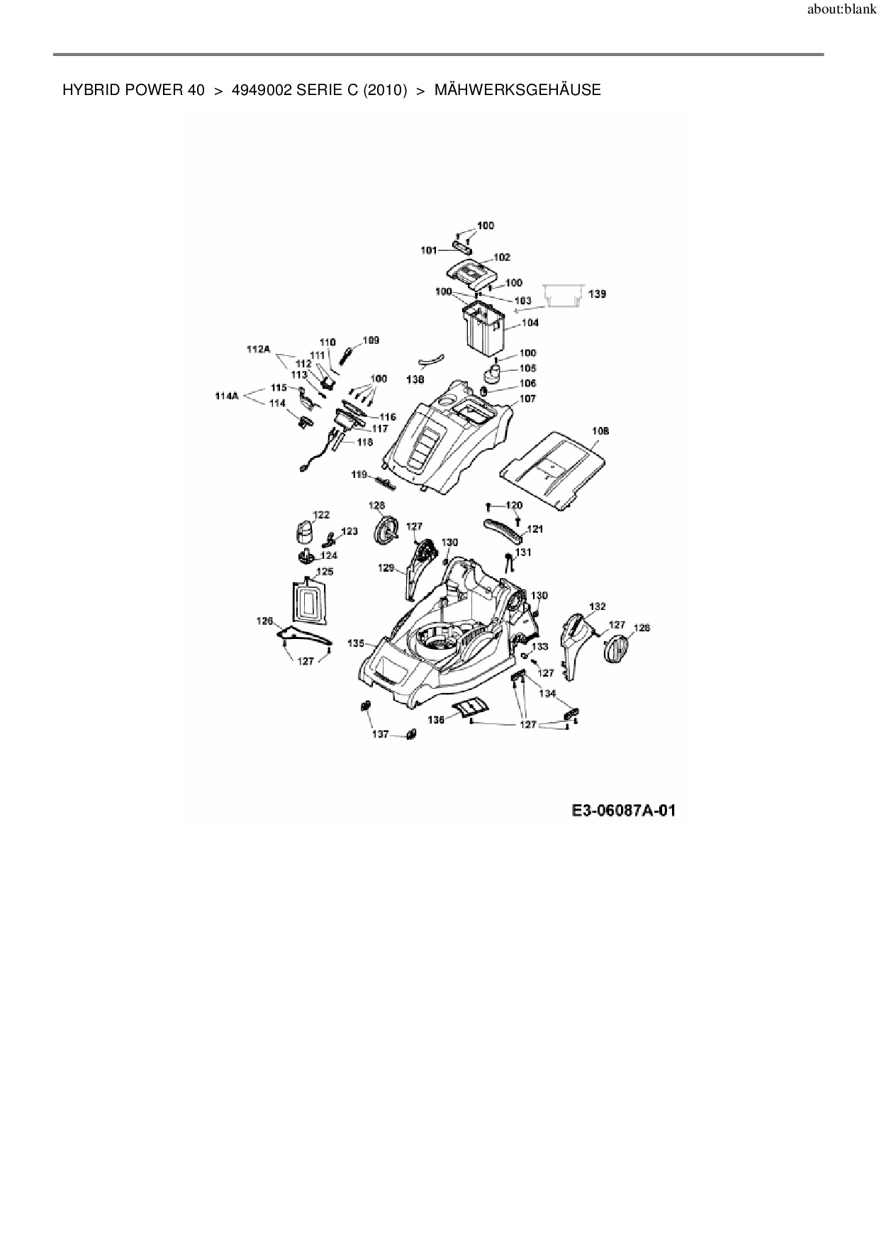
Mähwerksgehäuse

Zeichnung für Wolf-Garten Hybridmäher Hybrid Power 40 mit der Geräte-Artikelnr. 4949002 Serie C ab Baujahr 2010:

Zeichnung Mähwerksgehäuse

Die Ersatzteil-Zeichnung für Hybridmäher Wolf-Garten Hybrid Power 40 als Download:
Download Ersatzteil-Zeichnung Wolf-Garten Hybrid Power 40 Zeichnung Mähwerksgehäuse (PDF-Format)
Download Ersatzteil-Zeichnung Wolf-Garten Hybrid Power 40 Zeichnung Mähwerksgehäuse (JPG-Format)

Sollten Sie Fragen zu einem Ersatzteil haben, können Sie uns gerne eine E-Mail (mit einem Foto vom Typenschild Ihres Gerätes) schreiben oder eine Ersatzteilanfrage stellen.

Ersatzteile für Hybridmäher Wolf-Garten Hybrid Power 40 aus der Zeichnung Mähwerksgehäuse:
Artikel 1 - 10 von 37