Mähwerkseinschaltung

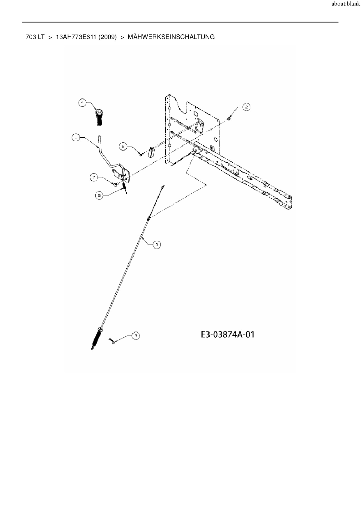
Zeichnung für Lawnflite Rasentraktor 703 LT mit der Geräte-Artikelnr. 13AH773E611 ab Baujahr 2009:

Zeichnung Mähwerkseinschaltung

Die Ersatzteil-Zeichnung für Rasentraktor Lawnflite 703 LT als Download:
Download Ersatzteil-Zeichnung Lawnflite 703 LT Zeichnung Mähwerkseinschaltung (PDF-Format)
Download Ersatzteil-Zeichnung Lawnflite 703 LT Zeichnung Mähwerkseinschaltung (JPG-Format)

Sollten Sie Fragen zu einem Ersatzteil haben, können Sie uns gerne eine E-Mail (mit einem Foto vom Typenschild Ihres Gerätes) schreiben oder eine Ersatzteilanfrage stellen.

Ersatzteile für Rasentraktor Lawnflite 703 LT aus der Zeichnung Mähwerkseinschaltung:
Artikel 1 - 7 von 7

55,78 € *
Lieferzeit: 2 - 10 Werktage
5,92 € *
Lieferzeit: 2 - 10 Werktage
4,88 € *
Lieferzeit: 2 - 10 Werktage
16,29 € *
Lieferzeit: 2 - 10 Werktage
12,88 € *
Lieferzeit: 2 - 10 Werktage
7,88 € *
Lieferzeit: 2 - 10 Werktage
4,88 € *
Lieferzeit: 2 - 10 Werktage

Artikel 1 - 7 von 7