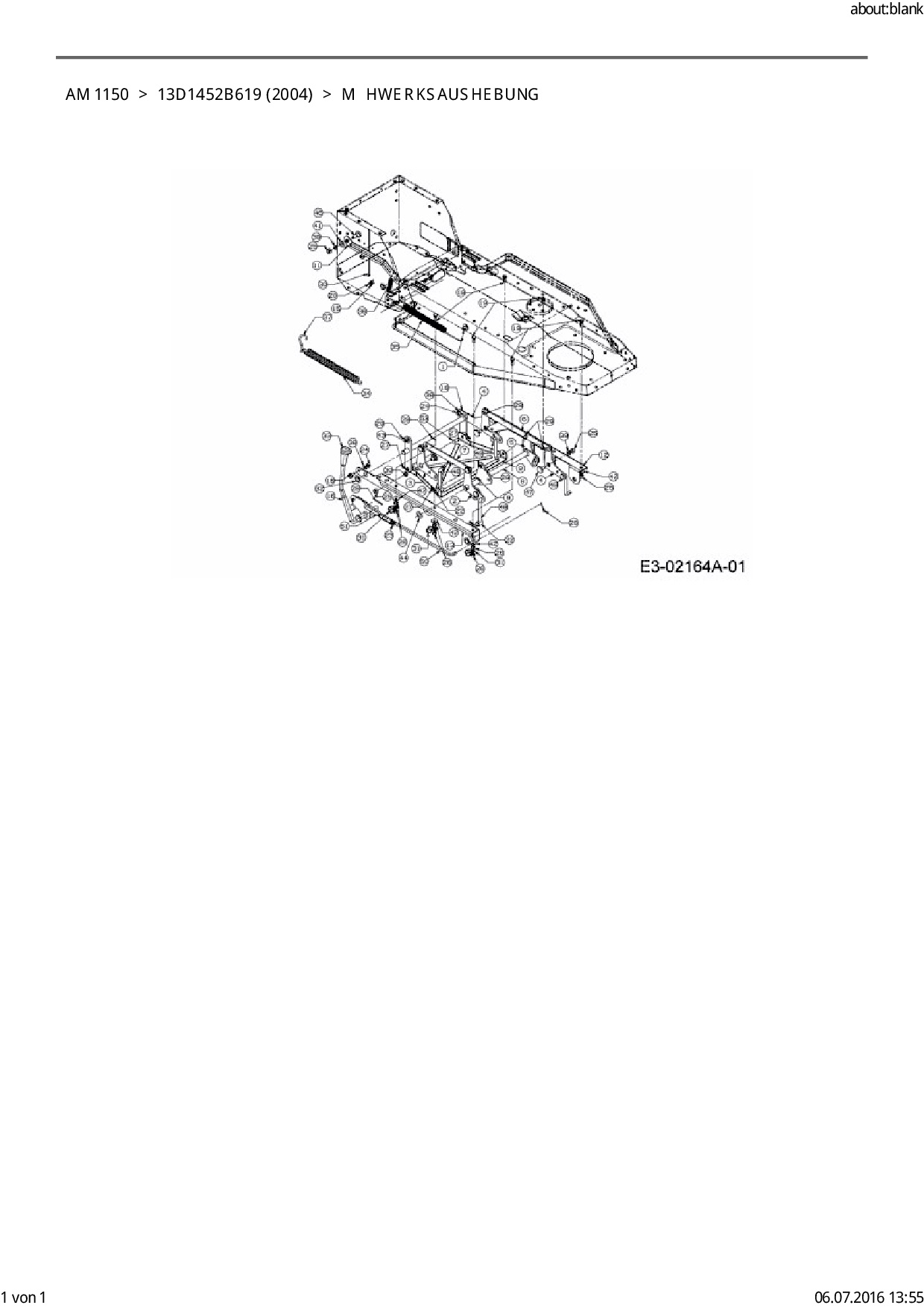
Mähwerksaushebung

Zeichnung für FLEURELLE Rasentraktor AM 1150 mit der Geräte-Artikelnr. 13D1452B619 ab Baujahr 2004:

Zeichnung Mähwerksaushebung

Die Ersatzteil-Zeichnung für Rasentraktor FLEURELLE AM 1150 als Download:
Download Ersatzteil-Zeichnung FLEURELLE AM 1150 Zeichnung Mähwerksaushebung (PDF-Format)
Download Ersatzteil-Zeichnung FLEURELLE AM 1150 Zeichnung Mähwerksaushebung (JPG-Format)

Sollten Sie Fragen zu einem Ersatzteil haben, können Sie uns gerne eine E-Mail (mit einem Foto vom Typenschild Ihres Gerätes) schreiben oder eine Ersatzteilanfrage stellen.

Ersatzteile für Rasentraktor FLEURELLE AM 1150 aus der Zeichnung Mähwerksaushebung:
Artikel 1 - 20 von 39

27,14 € *
Lieferzeit: 2 - 10 Werktage
11,88 € *
Lieferzeit: 2 - 10 Werktage
29,04 € *
Lieferzeit: 2 - 10 Werktage
26,14 € *
Lieferzeit: 2 - 10 Werktage
11,50 € *
Lieferzeit: 2 - 10 Werktage
39,88 € *
Lieferzeit: 2 - 10 Werktage
64,10 € *
Lieferzeit: 2 - 10 Werktage
5,88 € *
Lieferzeit: 2 - 10 Werktage
8,97 € *
Lieferzeit: 2 - 10 Werktage
5,88 € *
Lieferzeit: 2 - 10 Werktage
5,88 € *
Lieferzeit: 2 - 10 Werktage
4,88 € *
Lieferzeit: 2 - 10 Werktage
15,19 € *
Lieferzeit: 2 - 10 Werktage
4,88 € *
Lieferzeit: 2 - 10 Werktage
4,88 € *
Lieferzeit: 2 - 10 Werktage
4,88 € *
Lieferzeit: 2 - 10 Werktage
4,88 € *
Lieferzeit: 2 - 10 Werktage
4,88 € *
Lieferzeit: 2 - 10 Werktage
5,88 € *
Lieferzeit: 2 - 10 Werktage
5,88 € *
Lieferzeit: 2 - 10 Werktage

Artikel 1 - 20 von 39