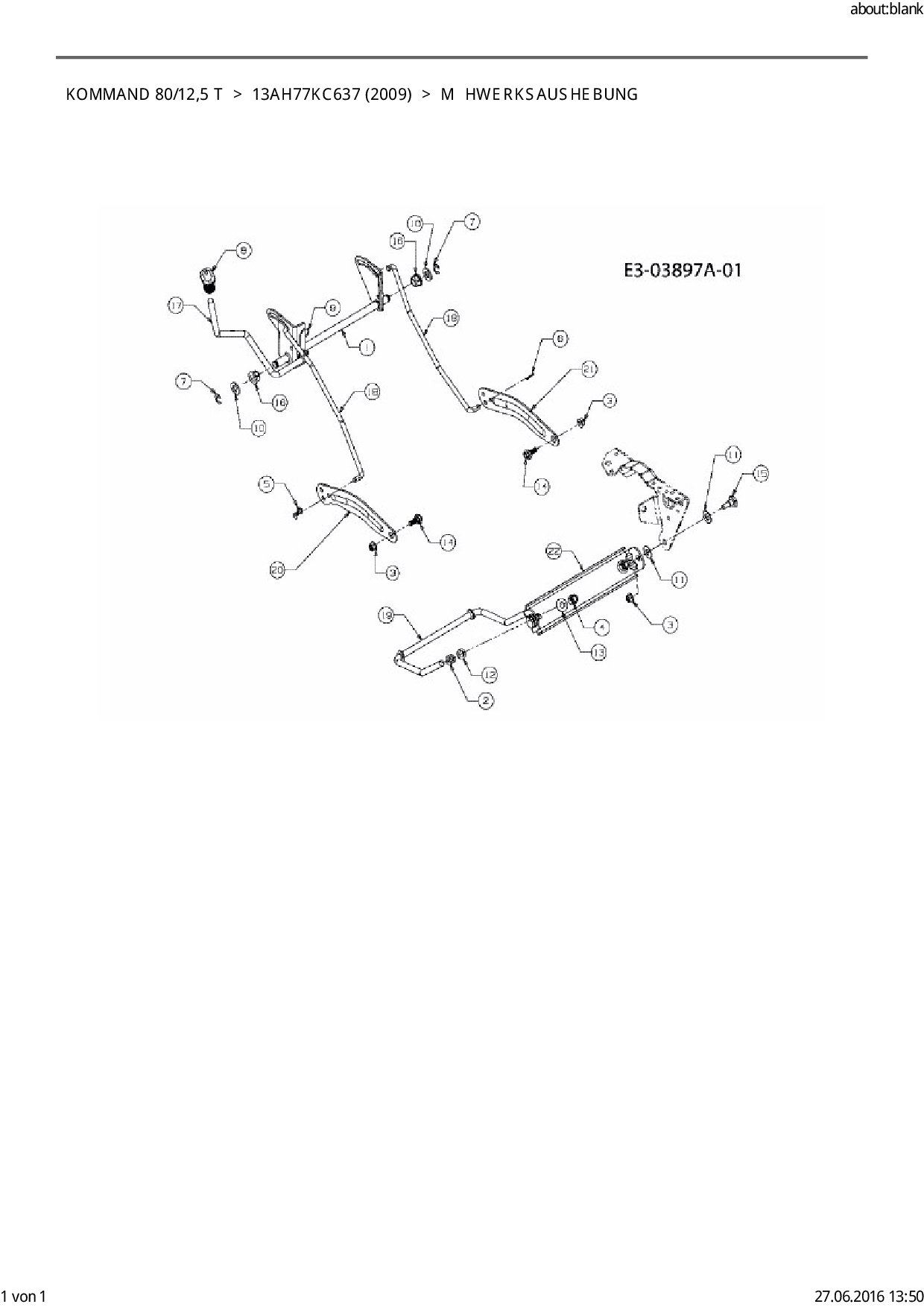
Mähwerksaushebung

Zeichnung für EFCO Rasentraktor Kommand 80/12,5 T mit der Geräte-Artikelnr. 13AH77KC637 ab Baujahr 2009:

Zeichnung Mähwerksaushebung

Die Ersatzteil-Zeichnung für Rasentraktor EFCO Kommand 80/12,5 T als Download:
Download Ersatzteil-Zeichnung EFCO Kommand 80/12,5 T Zeichnung Mähwerksaushebung (PDF-Format)
Download Ersatzteil-Zeichnung EFCO Kommand 80/12,5 T Zeichnung Mähwerksaushebung (JPG-Format)

Sollten Sie Fragen zu einem Ersatzteil haben, können Sie uns gerne eine E-Mail (mit einem Foto vom Typenschild Ihres Gerätes) schreiben oder eine Ersatzteilanfrage stellen.

Ersatzteile für Rasentraktor EFCO Kommand 80/12,5 T aus der Zeichnung Mähwerksaushebung:
Artikel 1 - 10 von 22

5,88 € *
Lieferzeit: 2 - 10 Werktage
5,88 € *
Lieferzeit: 2 - 10 Werktage
8,88 € *
Lieferzeit: 2 - 10 Werktage
6,88 € *
Lieferzeit: 2 - 10 Werktage
5,88 € *
Lieferzeit: 2 - 10 Werktage
17,23 € *
Lieferzeit: 2 - 10 Werktage
10,20 € *
Lieferzeit: 2 - 10 Werktage

Artikel 1 - 10 von 22