Mähwerksaushebung

Zeichnung für Gutbrod Rasentraktor GLX 105 RHL mit der Geräte-Artikelnr. 13BT516N690 ab Baujahr 2006:

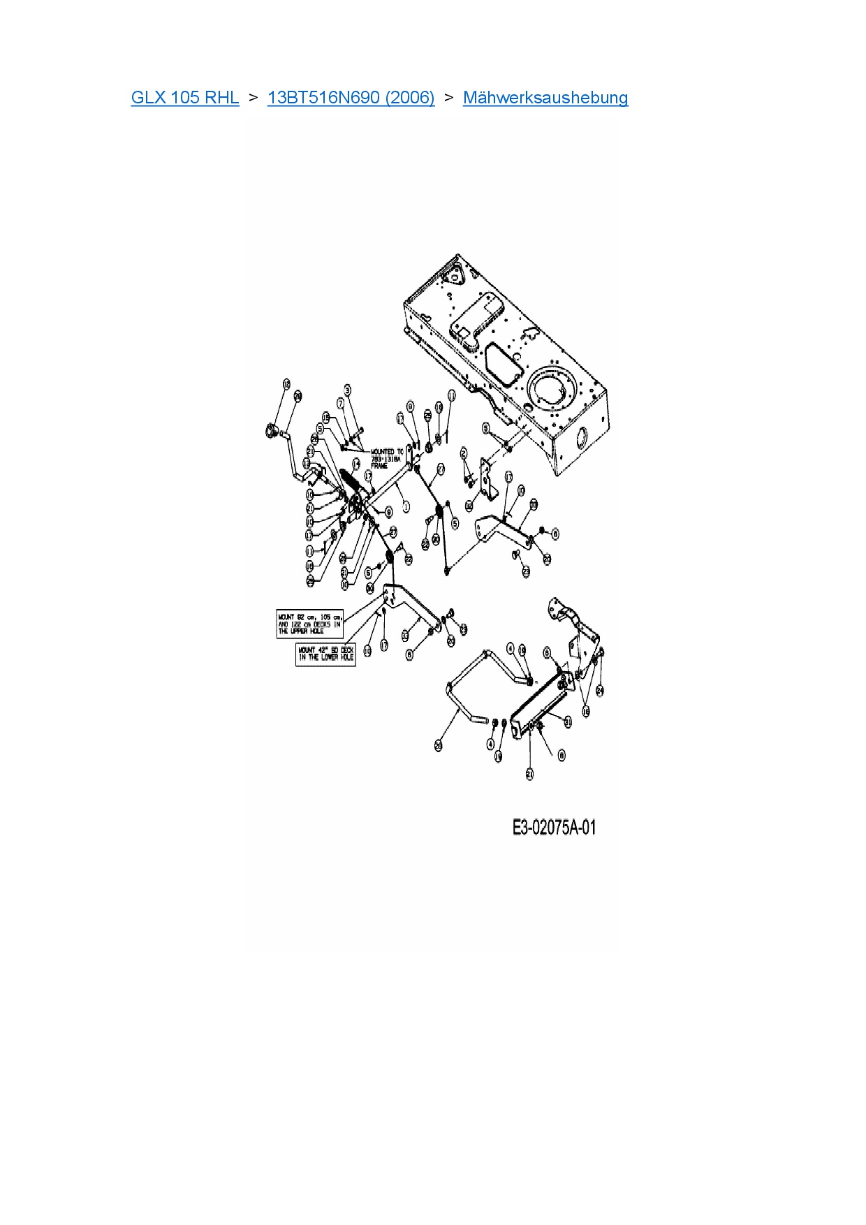
Zeichnung Mähwerksaushebung

Die Ersatzteil-Zeichnung für Rasentraktor Gutbrod GLX 105 RHL als Download:
Download Ersatzteil-Zeichnung Gutbrod GLX 105 RHL Zeichnung Mähwerksaushebung (PDF-Format)
Download Ersatzteil-Zeichnung Gutbrod GLX 105 RHL Zeichnung Mähwerksaushebung (JPG-Format)

Sollten Sie Fragen zu einem Ersatzteil haben, können Sie uns gerne eine E-Mail (mit einem Foto vom Typenschild Ihres Gerätes) schreiben oder eine Ersatzteilanfrage stellen.

Ersatzteile für Rasentraktor Gutbrod GLX 105 RHL aus der Zeichnung Mähwerksaushebung:
Artikel 1 - 10 von 32

69,19 € *
Lieferzeit: 2 - 10 Werktage
5,88 € *
Lieferzeit: 2 - 10 Werktage
5,88 € *
Lieferzeit: 2 - 10 Werktage
5,88 € *
Lieferzeit: 2 - 10 Werktage
6,88 € *
Lieferzeit: 2 - 10 Werktage
5,88 € *
Lieferzeit: 2 - 10 Werktage
4,88 € *
Lieferzeit: 2 - 10 Werktage
4,88 € *
Lieferzeit: 2 - 10 Werktage
4,88 € *
Lieferzeit: 2 - 10 Werktage
5,88 € *
Lieferzeit: 2 - 10 Werktage