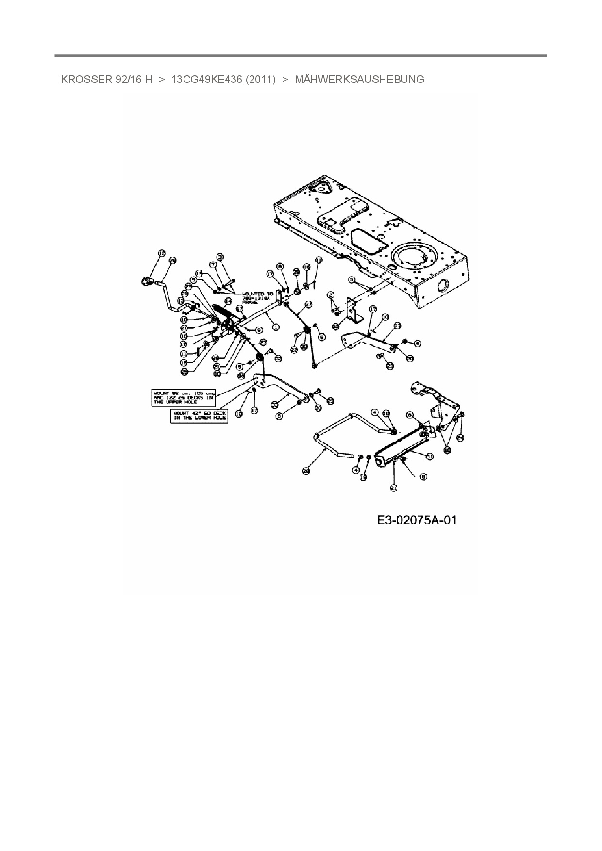
Mähwerksaushebung

Zeichnung für Oleo-Mac Rasentraktor Krosser 92/16 H mit der Geräte-Artikelnr. 13CG49KE436 ab Baujahr 2011:

Zeichnung Mähwerksaushebung

Die Ersatzteil-Zeichnung für Rasentraktor Oleo-Mac Krosser 92/16 H als Download:
Download Ersatzteil-Zeichnung Oleo-Mac Krosser 92/16 H Zeichnung Mähwerksaushebung (PDF-Format)
Download Ersatzteil-Zeichnung Oleo-Mac Krosser 92/16 H Zeichnung Mähwerksaushebung (JPG-Format)

Sollten Sie Fragen zu einem Ersatzteil haben, können Sie uns gerne eine E-Mail (mit einem Foto vom Typenschild Ihres Gerätes) schreiben oder eine Ersatzteilanfrage stellen.

Ersatzteile für Rasentraktor Oleo-Mac Krosser 92/16 H aus der Zeichnung Mähwerksaushebung:
Artikel 1 - 10 von 32