Mähwerksaushebung

Zeichnung für Cub Cadet Rasentraktor CC 1016 RD-E mit der Geräte-Artikelnr. 13CG51AE403 ab Baujahr 2010:

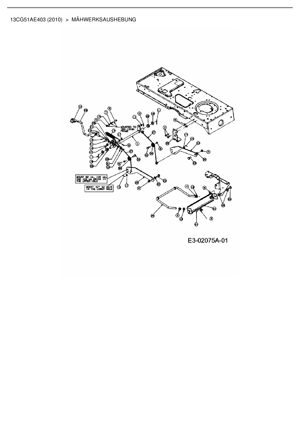
Zeichnung Mähwerksaushebung

Die Ersatzteil-Zeichnung für Rasentraktor Cub Cadet CC 1016 RD-E als Download:
Download Ersatzteil-Zeichnung Cub Cadet CC 1016 RD-E Zeichnung Mähwerksaushebung (PDF-Format)
Download Ersatzteil-Zeichnung Cub Cadet CC 1016 RD-E Zeichnung Mähwerksaushebung (JPG-Format)

Sollten Sie Fragen zu einem Ersatzteil haben, können Sie uns gerne eine E-Mail (mit einem Foto vom Typenschild Ihres Gerätes) schreiben oder eine Ersatzteilanfrage stellen.

Ersatzteile für Rasentraktor Cub Cadet CC 1016 RD-E aus der Zeichnung Mähwerksaushebung:
Artikel 1 - 10 von 32

61,98 € *
Lieferzeit: 2 - 10 Werktage
5,88 € *
Lieferzeit: 2 - 10 Werktage
4,88 € *
Lieferzeit: 2 - 10 Werktage
5,88 € *
Lieferzeit: 2 - 10 Werktage