Mähwerksaushebung

Zeichnung für Massey Ferguson Zero Turn MF 50-22 ZT mit der Geräte-Artikelnr. 17AICACP695 ab Baujahr 2014:

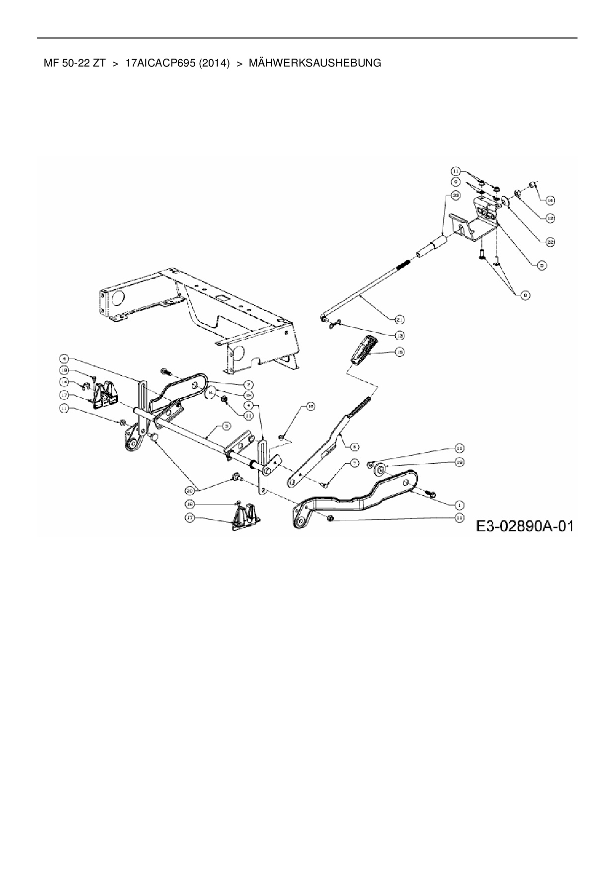
Zeichnung Mähwerksaushebung

Die Ersatzteil-Zeichnung für Zero Turn Massey Ferguson MF 50-22 ZT als Download:
Download Ersatzteil-Zeichnung Massey Ferguson MF 50-22 ZT Zeichnung Mähwerksaushebung (PDF-Format)
Download Ersatzteil-Zeichnung Massey Ferguson MF 50-22 ZT Zeichnung Mähwerksaushebung (JPG-Format)

Sollten Sie Fragen zu einem Ersatzteil haben, können Sie uns gerne eine E-Mail (mit einem Foto vom Typenschild Ihres Gerätes) schreiben oder eine Ersatzteilanfrage stellen.

Ersatzteile für Zero Turn Massey Ferguson MF 50-22 ZT aus der Zeichnung Mähwerksaushebung:
Artikel 1 - 10 von 17

115,34 € *
Lieferzeit: 2 - 10 Werktage
115,34 € *
Lieferzeit: 2 - 10 Werktage
30,54 € *
Lieferzeit: 2 - 10 Werktage
33,48 € *
Lieferzeit: 2 - 10 Werktage
5,88 € *
Lieferzeit: 2 - 10 Werktage
6,88 € *
Lieferzeit: 2 - 10 Werktage

Artikel 1 - 10 von 17