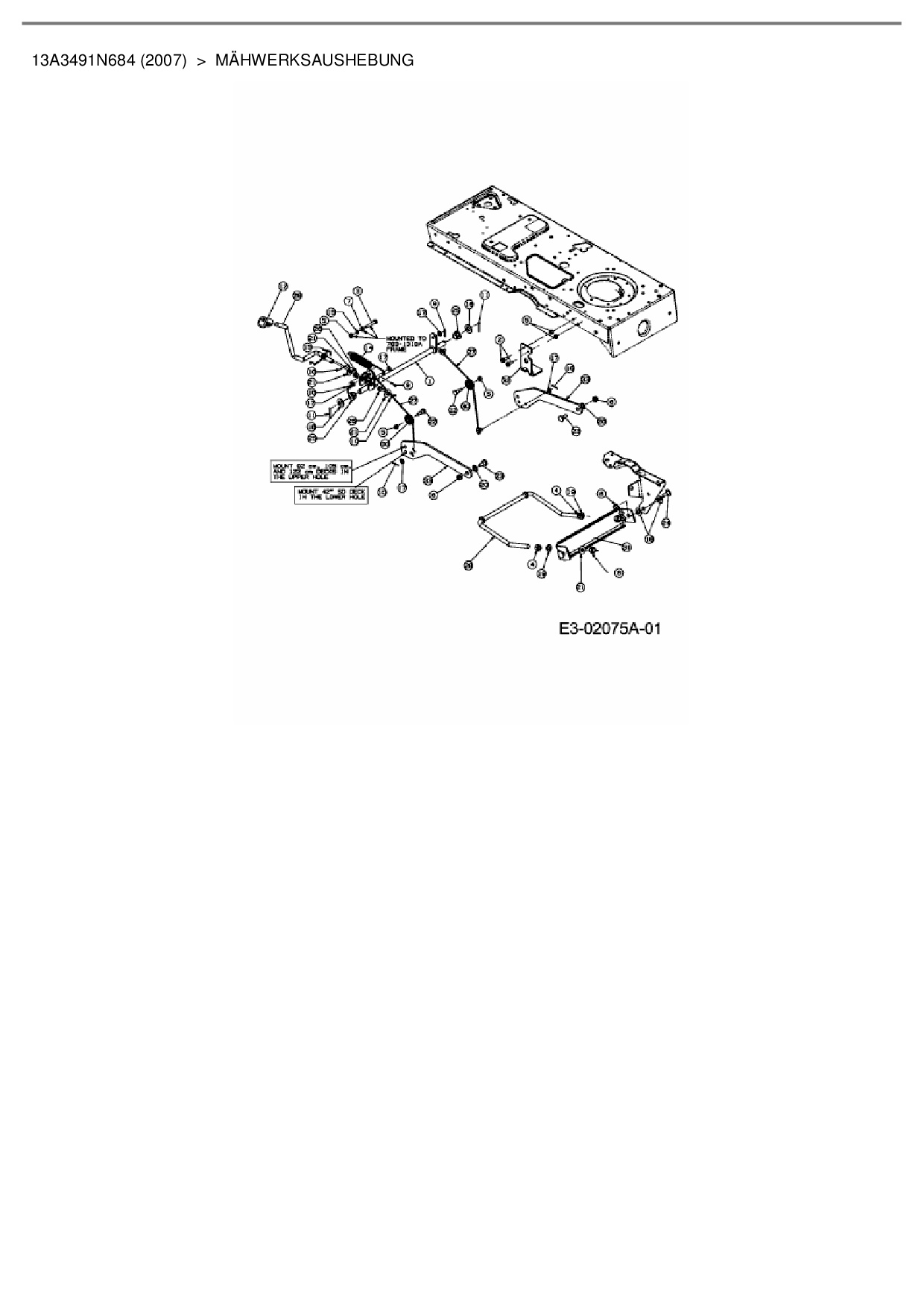
Mähwerksaushebung

Zeichnung für Bolens Rasentraktor BL 180/105 H mit der Geräte-Artikelnr. 13A3491N684 ab Baujahr 2007:

Zeichnung Mähwerksaushebung

Die Ersatzteil-Zeichnung für Rasentraktor Bolens BL 180/105 H als Download:
Download Ersatzteil-Zeichnung Bolens BL 180/105 H Zeichnung Mähwerksaushebung (PDF-Format)
Download Ersatzteil-Zeichnung Bolens BL 180/105 H Zeichnung Mähwerksaushebung (JPG-Format)

Sollten Sie Fragen zu einem Ersatzteil haben, können Sie uns gerne eine E-Mail (mit einem Foto vom Typenschild Ihres Gerätes) schreiben oder eine Ersatzteilanfrage stellen.

Ersatzteile für Rasentraktor Bolens BL 180/105 H aus der Zeichnung Mähwerksaushebung:
Artikel 1 - 10 von 32

61,98 € *
Lieferzeit: 2 - 10 Werktage
5,88 € *
Lieferzeit: 2 - 10 Werktage
5,88 € *
Lieferzeit: 2 - 10 Werktage
5,88 € *
Lieferzeit: 2 - 10 Werktage
6,88 € *
Lieferzeit: 2 - 10 Werktage
5,88 € *
Lieferzeit: 2 - 10 Werktage
4,88 € *
Lieferzeit: 2 - 10 Werktage
4,88 € *
Lieferzeit: 2 - 10 Werktage
4,88 € *
Lieferzeit: 2 - 10 Werktage
5,88 € *
Lieferzeit: 2 - 10 Werktage