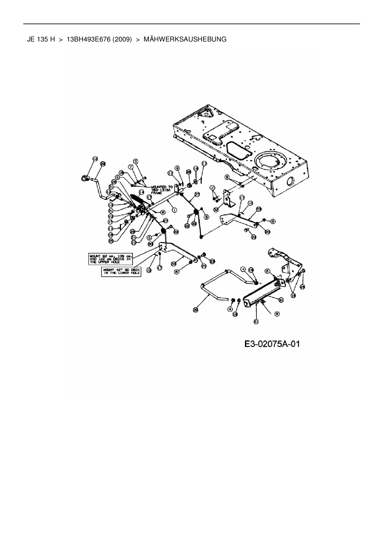
Mähwerksaushebung

Zeichnung für MTD Rasentraktor JE 135 H mit der Geräte-Artikelnr. 13BH493E676 ab Baujahr 2009:

Zeichnung Mähwerksaushebung

Die Ersatzteil-Zeichnung für Rasentraktor MTD JE 135 H als Download:
Download Ersatzteil-Zeichnung MTD JE 135 H Zeichnung Mähwerksaushebung (PDF-Format)
Download Ersatzteil-Zeichnung MTD JE 135 H Zeichnung Mähwerksaushebung (JPG-Format)

Sollten Sie Fragen zu einem Ersatzteil haben, können Sie uns gerne eine E-Mail (mit einem Foto vom Typenschild Ihres Gerätes) schreiben oder eine Ersatzteilanfrage stellen.

Ersatzteile für Rasentraktor MTD JE 135 H aus der Zeichnung Mähwerksaushebung:
Artikel 1 - 10 von 32

61,98 € *
Lieferzeit: 2 - 10 Werktage
5,88 € *
Lieferzeit: 2 - 10 Werktage
5,88 € *
Lieferzeit: 2 - 10 Werktage
5,88 € *
Lieferzeit: 2 - 10 Werktage
6,88 € *
Lieferzeit: 2 - 10 Werktage
5,88 € *
Lieferzeit: 2 - 10 Werktage
4,88 € *
Lieferzeit: 2 - 10 Werktage
4,88 € *
Lieferzeit: 2 - 10 Werktage
4,88 € *
Lieferzeit: 2 - 10 Werktage
5,88 € *
Lieferzeit: 2 - 10 Werktage