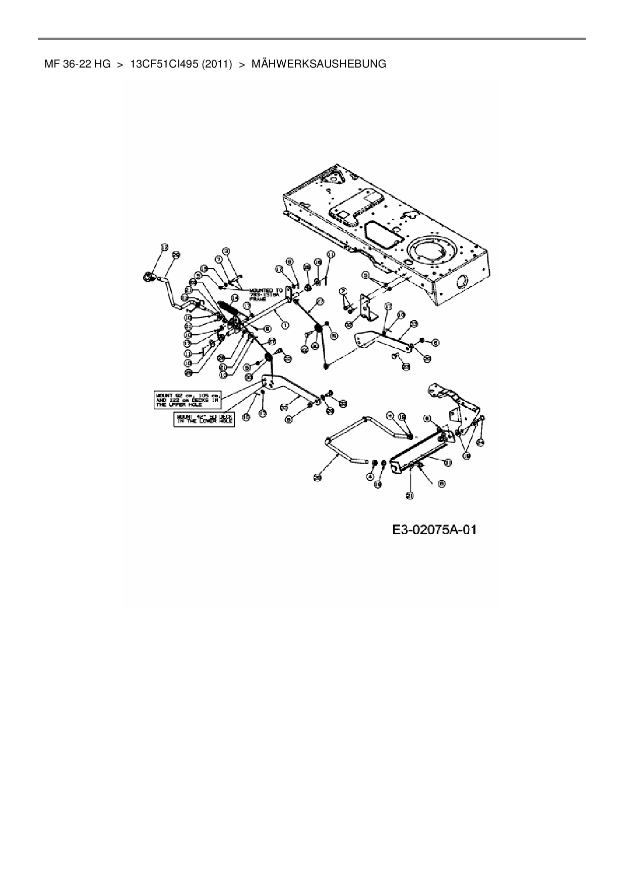
Mähwerksaushebung

Zeichnung für Massey Ferguson Rasentraktor MF 36-22 HG mit der Geräte-Artikelnr. 13CF51CI495 ab Baujahr 2011:

Zeichnung Mähwerksaushebung

Die Ersatzteil-Zeichnung für Rasentraktor Massey Ferguson MF 36-22 HG als Download:
Download Ersatzteil-Zeichnung Massey Ferguson MF 36-22 HG Zeichnung Mähwerksaushebung (PDF-Format)
Download Ersatzteil-Zeichnung Massey Ferguson MF 36-22 HG Zeichnung Mähwerksaushebung (JPG-Format)

Sollten Sie Fragen zu einem Ersatzteil haben, können Sie uns gerne eine E-Mail (mit einem Foto vom Typenschild Ihres Gerätes) schreiben oder eine Ersatzteilanfrage stellen.

Ersatzteile für Rasentraktor Massey Ferguson MF 36-22 HG aus der Zeichnung Mähwerksaushebung:
Artikel 1 - 10 von 32