Mähwerksaushebung

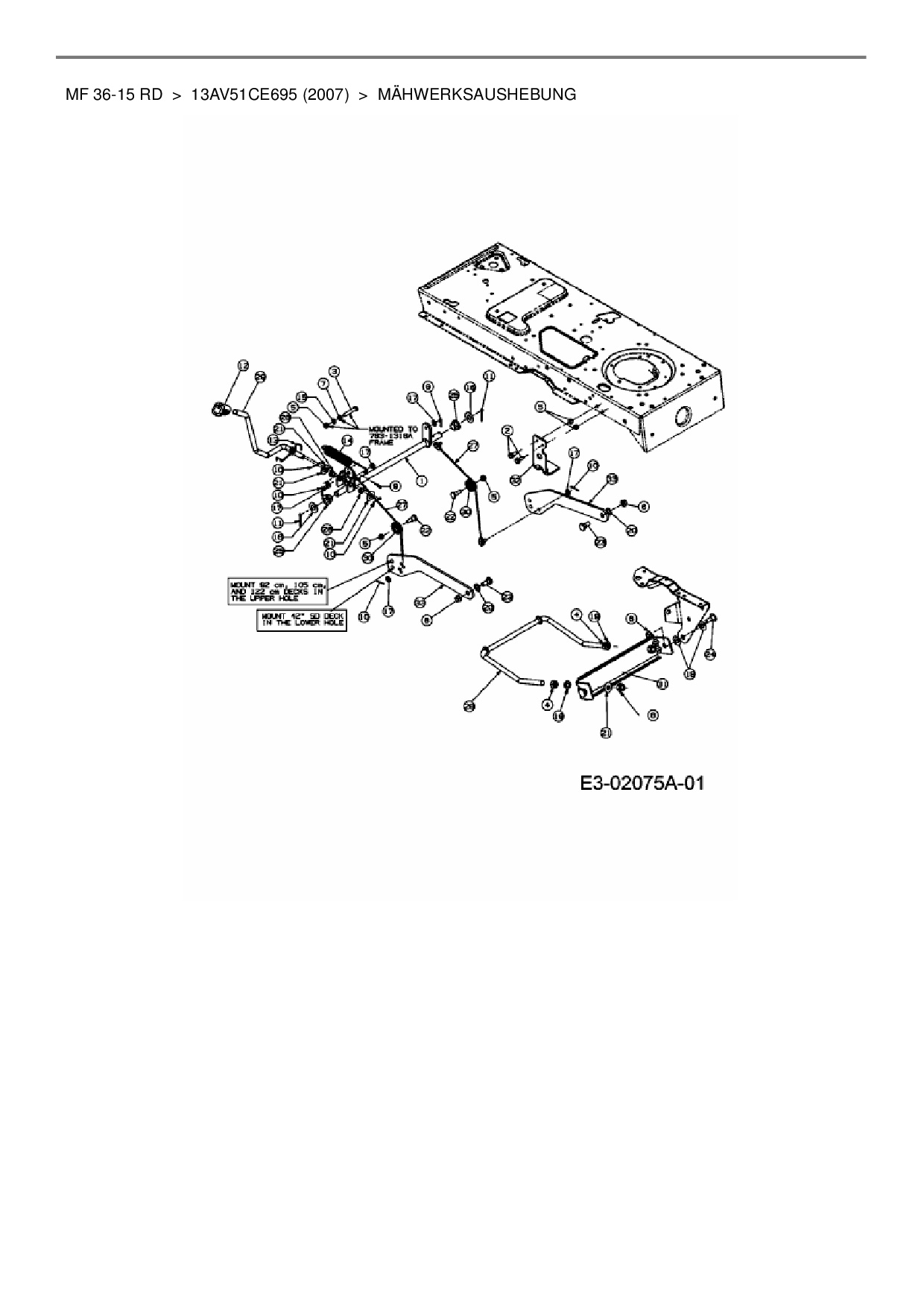
Zeichnung für Massey Ferguson Rasentraktor MF 36-15 RD mit der Geräte-Artikelnr. 13AV51CE695 ab Baujahr 2007:

Zeichnung Mähwerksaushebung

Die Ersatzteil-Zeichnung für Rasentraktor Massey Ferguson MF 36-15 RD als Download:
Download Ersatzteil-Zeichnung Massey Ferguson MF 36-15 RD Zeichnung Mähwerksaushebung (PDF-Format)
Download Ersatzteil-Zeichnung Massey Ferguson MF 36-15 RD Zeichnung Mähwerksaushebung (JPG-Format)

Sollten Sie Fragen zu einem Ersatzteil haben, können Sie uns gerne eine E-Mail (mit einem Foto vom Typenschild Ihres Gerätes) schreiben oder eine Ersatzteilanfrage stellen.

Ersatzteile für Rasentraktor Massey Ferguson MF 36-15 RD aus der Zeichnung Mähwerksaushebung:
Artikel 1 - 10 von 32