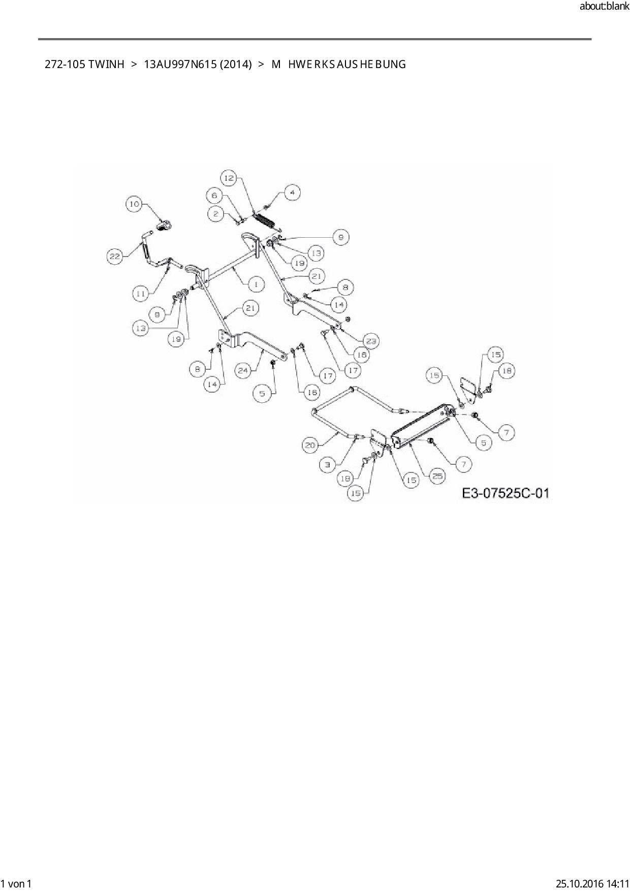
Mähwerksaushebung

Zeichnung für Black Edition Rasentraktor 272-105 TwinH mit der Geräte-Artikelnr. 13AU997N615 ab Baujahr 2014:

Zeichnung Mähwerksaushebung

Die Ersatzteil-Zeichnung für Rasentraktor Black Edition 272-105 TwinH als Download:
Download Ersatzteil-Zeichnung Black Edition 272-105 TwinH Zeichnung Mähwerksaushebung (PDF-Format)
Download Ersatzteil-Zeichnung Black Edition 272-105 TwinH Zeichnung Mähwerksaushebung (JPG-Format)

Sollten Sie Fragen zu einem Ersatzteil haben, können Sie uns gerne eine E-Mail (mit einem Foto vom Typenschild Ihres Gerätes) schreiben oder eine Ersatzteilanfrage stellen.

Ersatzteile für Rasentraktor Black Edition 272-105 TwinH aus der Zeichnung Mähwerksaushebung:
Artikel 1 - 10 von 25


Artikel 1 - 10 von 25