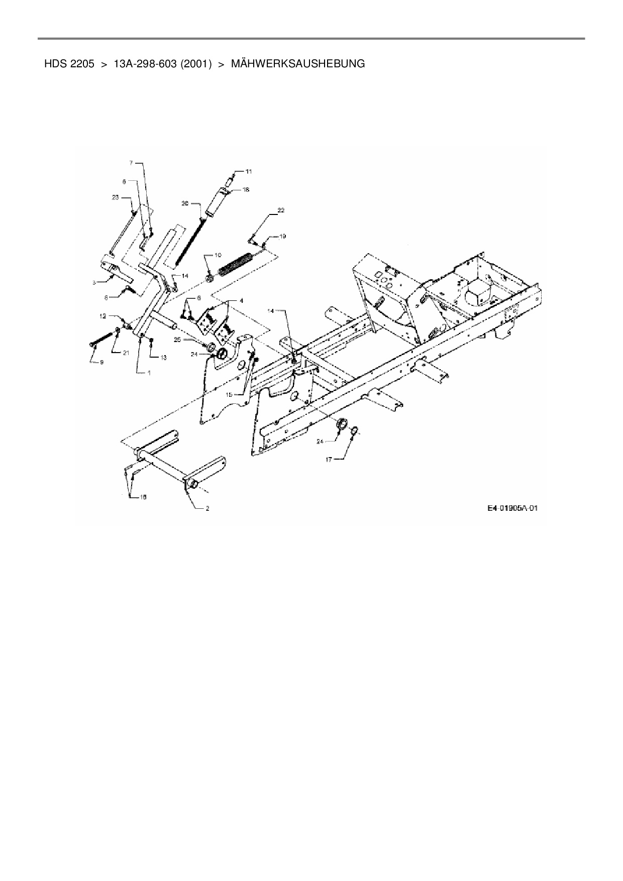
Mähwerksaushebung 1

Zeichnung für Cub Cadet Rasentraktor HDS 2205 mit der Geräte-Artikelnr. 13A-298-603 ab Baujahr 2001:

Zeichnung Mähwerksaushebung 1

Die Ersatzteil-Zeichnung für Rasentraktor Cub Cadet HDS 2205 als Download:
Download Ersatzteil-Zeichnung Cub Cadet HDS 2205 Zeichnung Mähwerksaushebung 1 (PDF-Format)
Download Ersatzteil-Zeichnung Cub Cadet HDS 2205 Zeichnung Mähwerksaushebung 1 (JPG-Format)

Sollten Sie Fragen zu einem Ersatzteil haben, können Sie uns gerne eine E-Mail (mit einem Foto vom Typenschild Ihres Gerätes) schreiben oder eine Ersatzteilanfrage stellen.

Ersatzteile für Rasentraktor Cub Cadet HDS 2205 aus der Zeichnung Mähwerksaushebung 1: