Mähwerk

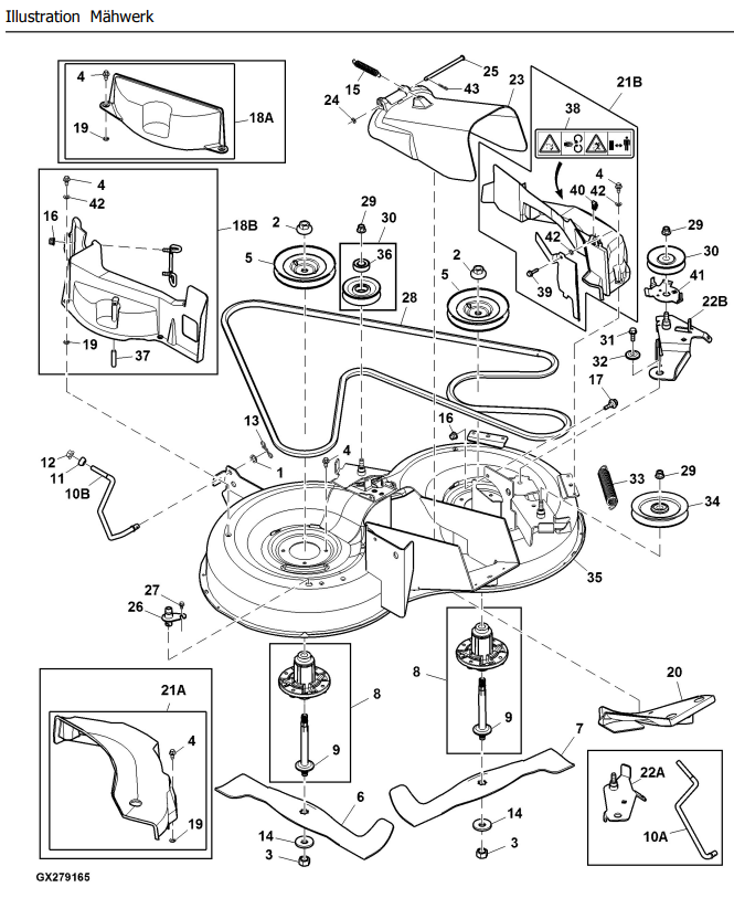
Zeichnung Sabo Rasentraktoren Heckauswurf 92H EDV-NR.BG20697, BG20778, BG20909, BG21008, BG21101 Mähwerk:

Klicken Sie auf diese Zeichnung

Sollten Sie Fragen zu einem Ersatzteil haben, können Sie uns gerne eine Ersatzteilanfrage stellen.

Hier finden Sie alle Ersatzteile von Sabo Rasentraktoren Heckauswurf 92H EDV-NR.BG20697, BG20778, BG20909, BG21008, BG21101 Mähwerk:
Artikel 1 - 10 von 46