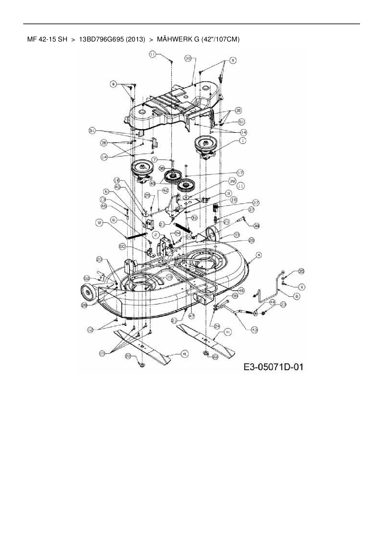
Mähwerk G (42"/107cm)

Zeichnung für Massey Ferguson Rasentraktor MF 42-15 SH mit der Geräte-Artikelnr. 13BD796G695 ab Baujahr 2013:

Zeichnung Mähwerk G (42"/107cm)

Die Ersatzteil-Zeichnung für Rasentraktor Massey Ferguson MF 42-15 SH als Download:
Download Ersatzteil-Zeichnung Massey Ferguson MF 42-15 SH Zeichnung Mähwerk G (42"/107cm) (PDF-Format)
Download Ersatzteil-Zeichnung Massey Ferguson MF 42-15 SH Zeichnung Mähwerk G (42"/107cm) (JPG-Format)

Sollten Sie Fragen zu einem Ersatzteil haben, können Sie uns gerne eine E-Mail (mit einem Foto vom Typenschild Ihres Gerätes) schreiben oder eine Ersatzteilanfrage stellen.

Ersatzteile für Rasentraktor Massey Ferguson MF 42-15 SH aus der Zeichnung Mähwerk G (42"/107cm):
Artikel 1 - 30 von 51

36,18 € *
Lieferzeit: 2 - 10 Werktage
27,36 € *
Lieferzeit: 2 - 10 Werktage
6,88 € *
Lieferzeit: 2 - 10 Werktage
4,88 € *
Lieferzeit: 2 - 10 Werktage
13,16 € *
Lieferzeit: 2 - 10 Werktage
18,72 € *
Lieferzeit: 2 - 10 Werktage
5,88 € *
Lieferzeit: 2 - 10 Werktage

Artikel 1 - 30 von 51