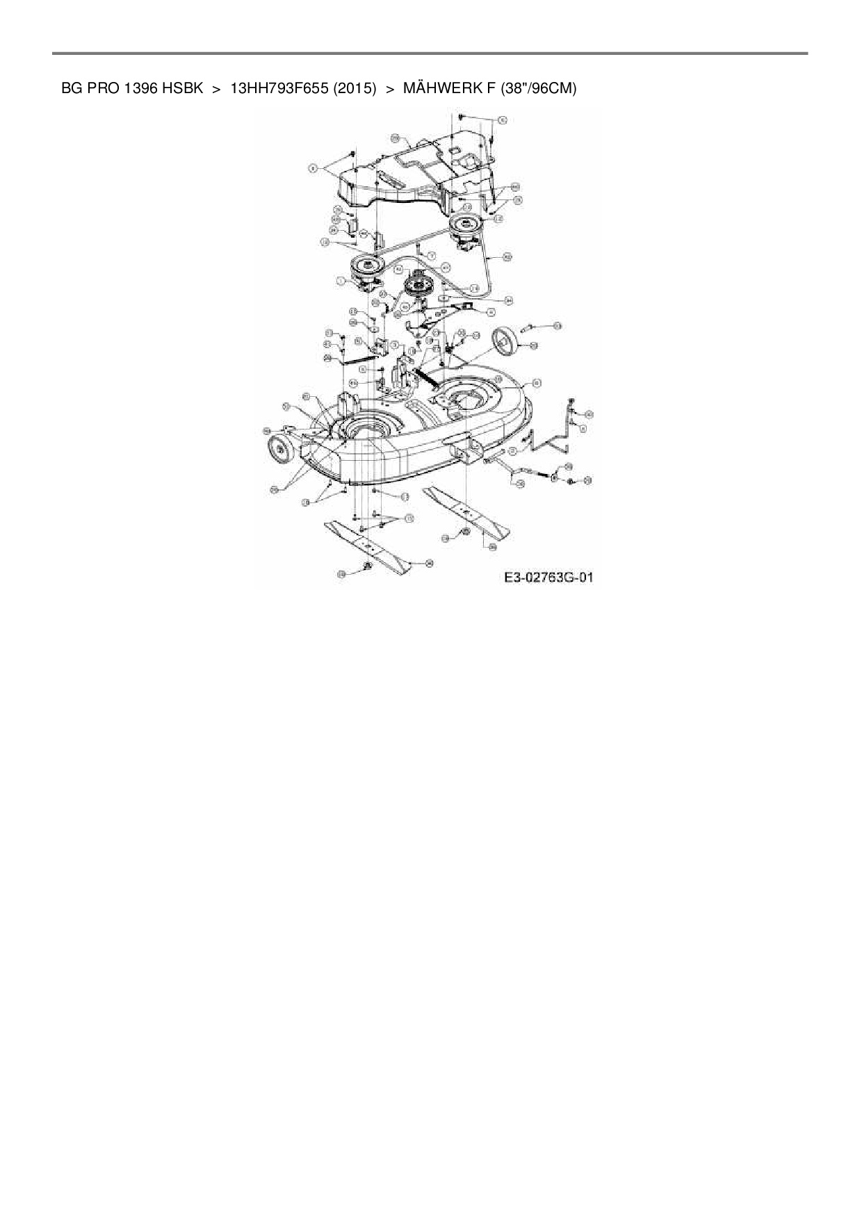
Mähwerk F (38"/96cm)

Zeichnung für Bestgreen Rasentraktor BG Pro 1396 HSBK mit der Geräte-Artikelnr. 13HH793F655 ab Baujahr 2015:

Zeichnung Mähwerk F (38"/96cm)

Die Ersatzteil-Zeichnung für Rasentraktor Bestgreen BG Pro 1396 HSBK als Download:
Download Ersatzteil-Zeichnung Bestgreen BG Pro 1396 HSBK Zeichnung Mähwerk F (38"/96cm) (PDF-Format)
Download Ersatzteil-Zeichnung Bestgreen BG Pro 1396 HSBK Zeichnung Mähwerk F (38"/96cm) (JPG-Format)

Sollten Sie Fragen zu einem Ersatzteil haben, können Sie uns gerne eine E-Mail (mit einem Foto vom Typenschild Ihres Gerätes) schreiben oder eine Ersatzteilanfrage stellen.

Ersatzteile für Rasentraktor Bestgreen BG Pro 1396 HSBK aus der Zeichnung Mähwerk F (38"/96cm):
Artikel 1 - 10 von 47