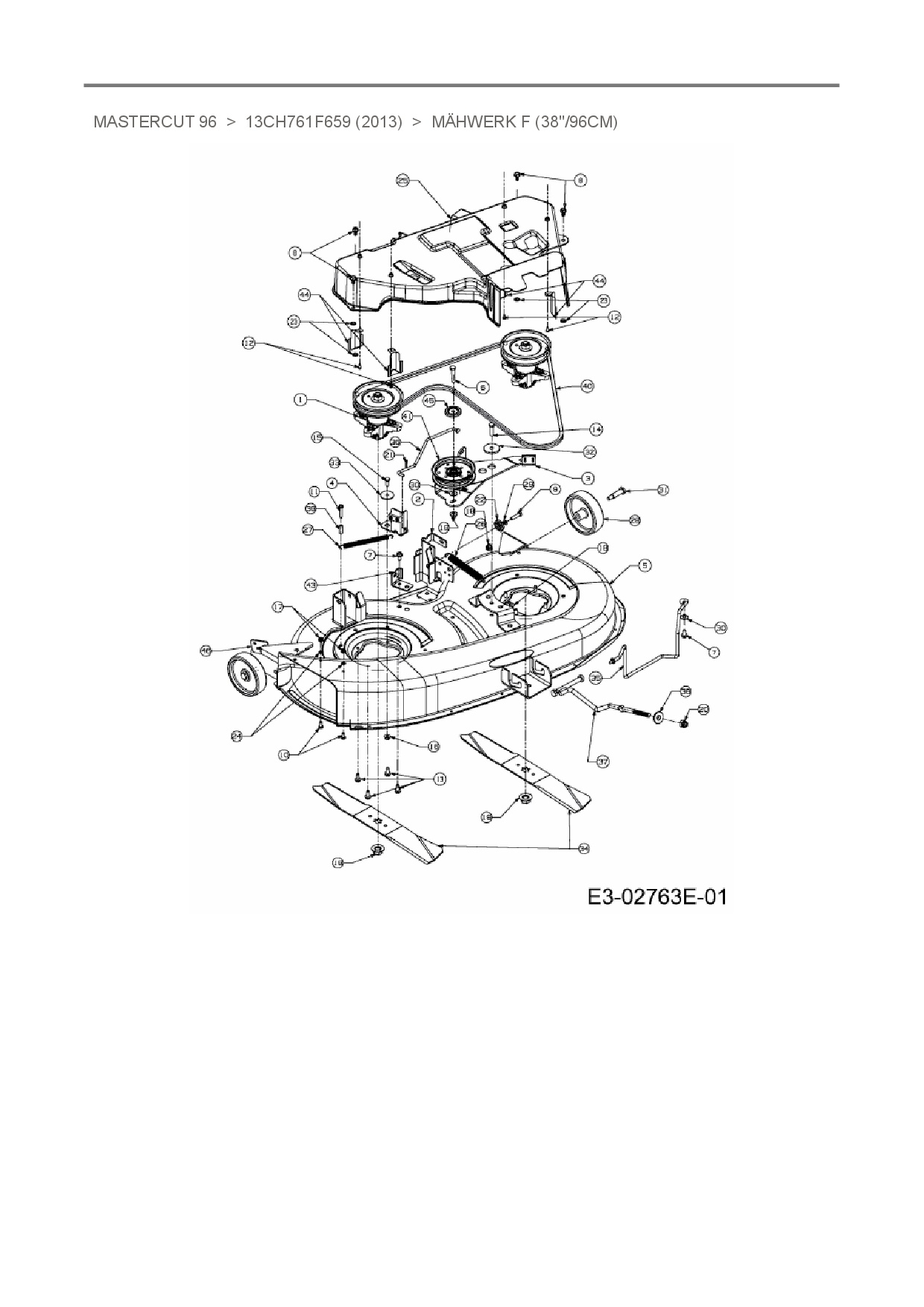
Mähwerk F (38"/96cm)

Zeichnung für Mastercut Rasentraktor Mastercut 96 mit der Geräte-Artikelnr. 13CH761F659 ab Baujahr 2013:

Zeichnung Mähwerk F (38"/96cm)

Die Ersatzteil-Zeichnung für Rasentraktor Mastercut Mastercut 96 als Download:
Download Ersatzteil-Zeichnung Mastercut Mastercut 96 Zeichnung Mähwerk F (38"/96cm) (PDF-Format)
Download Ersatzteil-Zeichnung Mastercut Mastercut 96 Zeichnung Mähwerk F (38"/96cm) (JPG-Format)

Sollten Sie Fragen zu einem Ersatzteil haben, können Sie uns gerne eine E-Mail (mit einem Foto vom Typenschild Ihres Gerätes) schreiben oder eine Ersatzteilanfrage stellen.

Ersatzteile für Rasentraktor Mastercut Mastercut 96 aus der Zeichnung Mähwerk F (38"/96cm):
Artikel 1 - 10 von 40