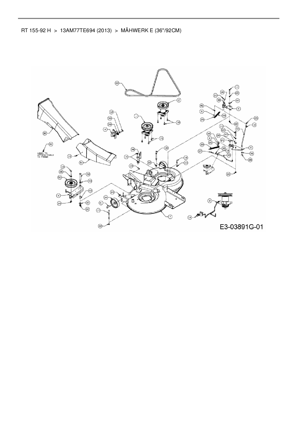
Mähwerk E (36"/92cm)

Zeichnung für Lux Tools Rasentraktor RT 155-92 H mit der Geräte-Artikelnr. 13AM77TE694 ab Baujahr 2013:

Zeichnung Mähwerk E (36"/92cm)

Die Ersatzteil-Zeichnung für Rasentraktor Lux Tools RT 155-92 H als Download:
Download Ersatzteil-Zeichnung Lux Tools RT 155-92 H Zeichnung Mähwerk E (36"/92cm) (PDF-Format)
Download Ersatzteil-Zeichnung Lux Tools RT 155-92 H Zeichnung Mähwerk E (36"/92cm) (JPG-Format)

Sollten Sie Fragen zu einem Ersatzteil haben, können Sie uns gerne eine E-Mail (mit einem Foto vom Typenschild Ihres Gerätes) schreiben oder eine Ersatzteilanfrage stellen.

Ersatzteile für Rasentraktor Lux Tools RT 155-92 H aus der Zeichnung Mähwerk E (36"/92cm):
Artikel 1 - 20 von 47

118,50 € *
Lieferzeit: 2 - 10 Werktage
25,52 € *
Lieferzeit: 2 - 10 Werktage
29,88 € *
Lieferzeit: 2 - 10 Werktage
24,06 € *
Lieferzeit: 2 - 10 Werktage
40,34 € *
Lieferzeit: 2 - 10 Werktage
5,88 € *
Lieferzeit: 2 - 10 Werktage
5,88 € *
Lieferzeit: 2 - 10 Werktage
13,56 € *
Lieferzeit: 2 - 10 Werktage
19,26 € *
Lieferzeit: 2 - 10 Werktage
4,88 € *
Lieferzeit: 2 - 10 Werktage

Artikel 1 - 20 von 47